
ﺧﻄﺮات و اﺛﺮات ﺑﺮق ﮔﺮﻓﺘﮕﻲ
در این مقاله به عناوین زیر می پردازیم
ﺑﺮق و ﺧﻄﺮات آن در ﺑﺪن اﻧﺴﺎن
ﻣﺰاﻳﺎي اﺳﺘﻔﺎده از ﺳﻴﺴﺘﻢ ﺣﻔﺎﻇﺘﻲ زﻣﻴﻦ در ﺷﺒﻜﻪ ﺗﻮزﻳﻊ ﻛﻨﻨﺪه
ﻣﺰاﻳﺎي اﺳﺘﻔﺎده از ﺳﻴﺴﺘﻢ ﺣﻔﺎﻇﺘﻲ زﻣﻴﻦ در ﺷﺒﻜﻪ ﻣﺼﺮف ﻛﻨﻨﺪه
ﻛﺎرﺑﺮد ﻓﺮﻋﻲ رﻟﻪ ﻫﺎي ﻛﻨﺘﺮل ﺟﺮﻳﺎن ﻧﺸﺘﻲ
ﺑﺪﺳﺖ آوردن اﻃﻼﻋﺎﺗﻲ در ﻣﻮرد اثرات فیزیکی برق در ﺑﺪن اﻧﺴﺎن ﻣﻮرد ﻋﻼﻗﻪ ﻋﻤﻮم ﻣﺮدم دﻧﻴﺎ ﻣﻲ ﺑﺎﺷﺪ اﻳﻦ اﺛﺮات ﻧﻪ ﺗﻨﻬﺎ ﺑﺮاي ﭘﺰﺷﻜﺎن ﺑﺨﺎﻃﺮ ﻣﻌﺎﻟﺠﻪ و ﻣﺪاوا ﻣﻮرد ﺗﻮﺟﻪ اﺳﺖ ﺑﻠﻜﻪ ﺑﺮاي ﺳﺎزﻧﺪﮔﺎن ﻟﻮازﻣﺎت ﺑﺮﻗﻲ و ﺗﻜﻨﺴﻴﻦ ﻫﺎ و ﻣﺘﺨﺼﺼﻴﻦ ﺑﺮق ﻧﻴﺰ ﻣﻮرد ﻋﻼﻗﻪ ﻣﻲ ﺑﺎﺷﺪ ﻛﻪ ﺑﺘﻮاﻧﻨﺪ در ﺟﻬﺖ ﺟﻠﻮﮔﻴﺮي از اﻳﻦ ﻣﺨﺎﻃﺮات ﺑﻪ راه ﺣﻞ ﻫﺎي ﻣﻨﺎﺳﺐ دﺳﺖ ﻳﺎﺑﻨﺪ.
ﺑﺮق و ﺧﻄﺮات آن در ﺑﺪن اﻧﺴﺎن
ﺑﺸﺮ از ﺻﺪﻫﺎ ﻫﺰار ﺳﺎل ﭘﻴﺶ ﺑﺎ اﻧﺮژي اﻟﻜﺘﺮﻳﻜﻲ ﺑﺮﺧﻮرد داﺷﺘﻪ و ﻣﻲ داﻧﺴﺘﻪ ﻛﻪ ﻳﻚ ﻫﻴﻮﻻ و اژدﻫﺎﺋﻲ در آﺳﻤﺎﻧﻬﺎ وﺟﻮد دارد وﻟﻲ ﻧﻤﻲ داﻧﺴﺘﻪ ﺑﻪ ﭼﻪ ﻃﺮﻳﻘﻪ و ﺑﺎ ﭼﻪ وﺳﻴﻠﻪ از اﻳﻦ اﻧﺮژي ﮔﺮاﻧﺒﻬﺎ اﺳﺘﻔﺎده ﺑﻜﻨﺪ. اﺛﺮات و ﺧﻄﺮات اﻳﻦ اﻧﺮژي را ﻣﺸﺎﻫﺪه وﻟﻲ ﻗﺪرت ﺑﻬﺮه ﺑﺮداري از آﻧﺮا ﻧﺪاﺷﺘﻪ اﺳﺖ.
زﻧﺪﮔﻲ ﺑﺸﺮ اﻣﺮوزي ﺑﺪون اﺳﺘﻔﺎده از اﻧﺮژي اﻟﻜﺘﺮﻳﻜﻲ ﻏﻴﺮﻣﻤﻜﻦ و اﺳﺘﻔﺎده ﻫﺎﺋﻲ را ﻛﻪ ﺑﺎ ﺳﺎﺧﺖ ﻟﻮازم اﻟﻜﺘﺮﻳﻜﻲ ﻣﻲ ﻛﻨﺪ. ﻫﻨﻮز ﺑﻪ ﺑﻴﺴﺖ درﺻﺪ ﻣﺰاﻳﺎي اﻳﻦ اﻧﺮژي ﭘﻲ ﻧﺒﺮده اﺳﺖ ﺗﻮﻟﻴﺪ اﻧﺮژي اﻟﻜﺘﺮﻳﻜﻲ ﻛﻪ ﻳﻜﻲ از ﻣﻬﻤﺘﺮﻳﻦ و ﺑﻬﺘﺮﻳﻦ اﻧﺮژي ﻫﺎﺋﻲ اﺳﺖ ﻛﻪ در اﺧﺘﻴﺎر ﺑﺸﺮ ﻗﺮار دارد ﺧﻴﻠﻲ آﺳﺎن و ﺗﺒﺪﻳﻞ آن ﺑﻪ اﻧﺮژي ﻫﺎي دﻳﮕﺮ ﺧﻴﻠﻲ ﺳﺎده ﻣﻲ ﺑﺎﺷﺪ وﻟﻲ ﻃﺮﻳﻘﻪ ﺣﻔﺎﻇﺖ و ﺑﻬﺮه ﺑﺮداري ﺻﺤﻴﺢ از آن ﻫﻤﻴﺸﻪ و در ﻫﻤﻪ ﺟﺎ ﺑﺎ ﻣﺸﻜﻼﺗﻲ روﺑﺮو ﺑﻮده اﺳﺖ.
ﻣﻬﻤﺘﺮﻳﻦ اﻳﻦ ﻣﺸﻜﻼت- ﺑﺮق ﮔﺮﻓﺘﮕﻲ و ﺧﻄﺮات ﻧﺎﺷﻲ از آن ﻣﻲ ﺑﺎﺷﺪ ﻛﻪ ﻣﻮﺟﺐ از دﺳﺖ دادن ﺟﺎن اﻧﺴﺎن و ﺣﻴﻮاﻧﺎت ﻣﻲ ﮔﺮدد ﻋﻼوه ﺑﺮ آن ﺑﺎ اﺗﺼﺎل ﻫﺎي ﻛﻮﺗﺎﻫﻲ ﻛﻪ در ﻣﺴﻴﺮ ﺟﺮﻳﺎن ﺑﺮق رخ ﻣﻲ دﻫﺪ ﺑﺎﻋﺚ ﻗﻄﻊ ﺷﺪن ﺷﺒﻜﻪ و ﺳﻮﺧﺘﻦ ﻟﻮازم اﻟﻜﺘﺮﻳﻜﻲ و آﺗﺶ ﺳﻮزي ﻣﻲ ﺷﻮد ﻛﻪ ﺑﺎ ﺧﺴﺎرات و ﺧﻄﺮات زﻳﺎدي ﻫﻤﺮاه اﺳﺖ.
ﺑﺨﺎﻃﺮ اﻗﺘﺼﺎدي ﺑﻮدن ﺗﻮﻟﻴﺪ اﻧﺮژي اﻟﻜﺘﺮﻳﻜﻲ و ﻣﺴﺎﻋﺪ ﺑﻮدن آن ﺑﺮاي ﻣﺤﻴﻂ زﻳﺴﺖ اﺳﺘﻔﺎده از اﻳﻦ اﻧﺮژي ﺗﺎ ﻫﺰارﻫﺎ ﺳﺎل آﻳﻨﺪه ﻧﻴﺰ ﺑﺮﻗﺮار ﺧﻮاﻫﺪ ﺑﻮد وﻟﻲ اﺛﺮات ﻓﻴﺰﻳﻜﻲ اﻳﻦ اﻧﺮژي ﺑﺮ روي ﺑﺪن اﻧﺴﺎن و ﻫﺮ ﺟﺎﻧﻮر زﻧﺪه ﻫﺮﮔﺰ ﺗﻐﻴﻴﺮ ﻧﺨﻮاﻫﺪﻛﺮد.
اﻋﺘﻤﺎد ﺑﻪ ﺳﻴﻢ ﻛﺸﻲ وﻛﺎﺑﻞ ﻛﺸﻲ و اﺳﺘﻔﺎده از ﻫﺮﮔﻮﻧﻪ ﻣﺎﺷﻴﻦ آﻻت ﺑﻮﻳﮋه ﭘﻤﭗ ﻫﺎ روﺷﻨﺎﺋﻲ ﭘﺎرك ﻫﺎ- اﺳﺘﺨﺮﻫﺎ- ﭘﺎﻳﻪ ﭼﺮاغ ﻫﺎي ﻣﻌﺎﺑﺮ ﻋﻤﻮﻣﻲ- ﻣﺪارس- ﺑﺎﺷﮕﺎه ﻫﺎي ورزﺷﻲ- و ﺑﻴﻤﺎرﺳﺘﺎن ﻫﺎ و وان ﻫﺎي ﺟﻜﻮزي و ﻛﻠﻴﻪ ﻟﻮازم ﺑﺮﻗﻲ و ﻓﻠﺰي ﺑﺨﺼﻮص ﻛﻮﻟﺮﻫﺎي آﺑﻲ در ﻣﻨﺎزل و ﻛﺎرﺧﺎﻧﺠﺎت ﺑﻪ ﻣﻌﻨﺎي اﻋﺘﻤﺎد ﺑﻪ ﻃﺮﻳﻘﻪ ﺳﺎﺧﺖ و ﻧﺼﺐ ﺻﺤﻴﺢ و اﺳﺘﻔﺎده از اﻳﻦ اﻧﺮژي الکتریکی در ولتاژهای پایین می باشد.
درﺧﻮاﺳﺖ اﻳﻦ اﻋﺘﻤﺎد ﺑﺮاي ﺣﻔﺎﻇﺖ ﺟﺎن اﻧﺴﺎن و ﺣﻴﻮاﻧﺎت اﻫﻠﻲ و ﺟﻠﻮﮔﻴﺮي از ﺧﻄﺮات آﺗﺶ ﺳﻮزي و اﻧﻔﺠﺎرﻫﺎي ﻋﻈﻴﻢ در ﻣﻌﺎدن ﺑﺨﺼﻮص ﭘﺎﻻﻳﺸﮕﺎه ﻫﺎي ﻧﻔﺖ و ﮔﺎز و غیره بسیار مهم و با ارزش می باشد.
ﺑﺎ ﺑﺎﻻ رﻓﺘﻦ ﻣﺼﺮف اﻧﺮژي ﺑﺮق و ﺗﻮﺳﻌﻪ ﺻﻨﻌﺖ و ﺷﻬﺮﻫﺎ در ﻫﻤﻪ ﻛﺸﻮرﻫﺎي ﺟﻬﺎن اﻣﻜﺎن ﭼﻨﺪﻳﻦ ﺑﺮاﺑﺮ ﺷﺪن ﺗﻠﻔﺎت زﻳﺎدﺗﺮ خواهد شد.
رﻓﺎه ﻳﻚ ﺟﺎﻣﻌﻪ اﻗﺘﺼﺎد آن ﺟﺎﻣﻌﻪ اﺳﺖ اﻗﺘﺼﺎد ﻳﻚ ﺟﺎﻣﻌﻪ ﺑﺴﺘﮕﻲ ﺑﻪ ﺻﻨﻌﺖ آن ﺟﺎﻣﻌﻪ دارد
ﺻﻨﻌﺖ آن ﺟﺎﻣﻌﻪ ﺑﺴﺘﮕﻲ ﺑﻪ ﺗﻮان ﺗﻮﻟﻴﺪ و ﻣﺼﺮف دﻗﻴﻖ اﻧﺮژي اﻟﻜﺘﺮﻳﻜﻲ آن ﺟﺎﻣﻌﻪ را دارد
ﻛﻪ ﺑﺴﺘﮕﻲ ﺑﻪ ﺧﻮاﺳﺘﻦ و داﻧﺴﺘﻦ و ﺗﻮاﻧﺴﺘﻦ آن ﺟﺎﻣﻌﻪ ﻣﻴﺒﺎﺷﺪ
ﺗﺤﻘﻴﻘﺎت وآزﻣﺎﻳﺸﺎت و ﺑﺎزدﻳﺪﻫﺎ و ﻣﻄﺎﻟﻌﺎت آﻣﺎر ﭘﺰﺷﻜﻲ ﻗﺎﻧﻮﻧﻲ و ﻣﻼﻗﺎت از ﻣﺠﺮوﺣﻴﻦ ﻛﻪ ﺗﻮﺳﻂ ﻧﺎﺷﺮ در ﻛﺸﻮرﻫﺎي ﻣﺨﺘﻠﻒ در ﻣﻮرد ﺑﺮق ﮔﺮﻓﺘﮕﻲ اﻧﺠﺎم ﮔﺮﻓﺘﻪ و ﺑﺎﻋﺚ ﻣﺮگ ﺷﺪه اﺳﺖ ﺛﺎﺑﺖ ﻣﻲ ﻛﻨﺪ ﻛﻪ ﭘﻨﺠﺎه درﺻﺪ آن در اﺛﺮ ﺗﻤﺎس ﻣﺴﺘﻘﻴﻢ ﺑﺎ ﺳﻴﻢ ﺣﺎﻣﻞ ﺑﺮق در ﺣﻤﺎم- اﺳﺘﺨﺮ- ﺣﻴﺎط- زﻳﺮ زﻣﻴﻦ- ﭘﺎرك ﻫﺎ و ﻳﺎ ﺟﺎﻫﺎي ﻣﺮﻃﻮب ﺑﻮده ﻛﻪ ﺟﺮﻳﺎن ﺑﺮق ﻣﺴﺘﻘﻴﻤﺎ از ﺑﺪن اﻓﺮاد ﺑﻪ زﻣﻴﻦ ﺑﺮﻗﺮار ﺷﺪه و ﺑﻘﻴﻪ ﺑﻌﻠّﺖ ﻓﺮﺳﻮدﮔﻲ ﻛﺎﺑﻠﻬﺎ و ﻳﺎ ﻋﺎﻳﻖ ﻧﺒﻮدن ﺻﺤﻴﺢ ﻟﻮازم ﺻﻨﻌﺘﻲ و ﺧﺎﻧﮕﻲ و دﺳﺘﮕﺎه ﻫﺎي ﺑﺮﻗﻲ و ﻳﺎ ﺳﻴﻢ ﻛﺸﻲ ﻫﺎي ﻏﻠﻂ و اﺳﺘﻔﺎده از ﻟﻮﻟﻪ ﻫﺎي ﻓﻠﺰي و ﺳﻴﻢ اﻓﺸﺎن اﺗﻔﺎق اﻓﺘﺎده اﺳﺖ.
ﺳﻴﺴﺘﻢ ﺗﻮزﻳﻊ اﻧﺮژي اﻟﻜﺘﺮﻳﻜﻲ ﻛﻪ ﺳﻴﺴﺘﻢ ارت آن در ﻛﻠّﻴﻪ ﻧﻘﺎط ﺷﺒﻜﻪ ﺑﺨﺼﻮص در ﻓﺸﺎر ﺿﻌﻴﻒ ﭼﻨﺪﻳﻦ ﻣﺮﺗﺒﻪ ﺑﺎ ﺳﻴﺴﺘﻢ ﺣﻔﺎﻇﺘﻲ زﻣﻴﻦ ﻣﺘﺼﻞ ﮔﺮدﻳﺪه اﻳﻦ اﻋﺘﻤﺎد را ﺑﺮﻗﺮار ﻣﻲ ﻧﻤﺎﻳﺪ ﻛﻪ وﻟﺘﺎژﻫﺎي اﻳﺠﺎد ﺷﺪه در ﺷﺒﻜﻪ و ﺑﺨﺼﻮص در ﻛﻠّﻴﻪ ﻗﻄﻌﺎت ﻓﻠﺰي در ﺻﻨﺎﻳﻊ و ﺳﺎﺧﺘﻤﺎن و ﺑﺮق ﮔﻴﺮﻫﺎ ﻃﺒﻖ ﻗﻮاﻧﻴﻦ و اﺳﺘﺎﻧﺪاردﻫﺎي ﺑﻴﻦ اﻟﻤﻠﻠﻲ ﻣﺴﺎوي ﺻﻔﺮ ﺑﺎﺷﺪ.

ﻗﺒﻮل و رﻋﺎﻳﺖ اﺳﺘﺎﻧﺪاردﻫﺎي ﺑﻴﻦ اﻟﻤﻠﻠﻲ ﻣﻮﺟﻮد و اﺟﺮاي دﺳﺘﻮراﻟﻌﻤﻞ ﻫﺎي ﻣﻮرد ﻟﺰوم در راه ﺟﻠﻮﮔﻴﺮي از ﺧﻄﺮات ﺑﺮق ﮔﺮﻓﺘﮕﻲ ﻛﻤﻚ ﻣﻮﺛّﺮي در اﻳﻦ ﻣﻮرد ﻣﻲ ﺑﺎﺷﺪ ﻛﻪ ﻛﺸﻮرﻫﺎي ﭘﻴﺸﺮﻓﺘﻪ آن ر ا رﻋﺎﻳﺖ و ﺗﻌﺪاد ﺳﻮاﻧﺢ ﺑﺮق ﮔﺮﻓﺘﮕﻲ را ﺗﺎ ﺣﺪ امکان کاهش می دهند.
در ﻣﻮاﻗﻊ رﻋﺪ و ﺑﺮق و ﻳﺎ ﺷﻌﻠﻪ ور ﺷﺪن دﺳﺘﮕﺎه ﻫﺎي ﺑﺮﻗﻲ ﭼﻪ در وﻟﺘﺎژﻫﺎي ﭘﺎﺋﻴﻦ و ﻳﺎ وﻟﺘﺎژﻫﺎي ﺑﺎﻻ در ﻧﺰدﻳﻜﻲ اﻧﺴﺎن اﻣﻜﺎن ﺑﺮق ﮔﺮﻓﺘﮕﻲ ﻧﻴﺰ وﺟﻮد دارد ﻛﻪ ﺧﻄﺮات آﻧﺮا ﺑﻄﻮر ﺳﺎده ﻧﻤﻲ ﺗﻮان در اﻳﻦ ﺑﺨﺶ ﺗﺸﺮﻳﺢ ﻧﻤﻮد.
ﺟﺮﻳﺎن و ﻓﺸﺎر ﺑﺮق در ﺑﺪن اﻧﺴﺎن در ﺟﺎﻫﺎﺋﻲ ﻛﻪ ﻣﻘﺎوﻣﺖ اﻫﻤﻲ ﺑﺪن ﻛﻤﺘﺮ ﺑﺎﺷﺪ ﺑﻴﺸﺘﺮ و راﺣﺖ ﺗﺮﺟﺮﻳﺎن ﻣﻲ ﻧﻤﺎﻳﺪ و ﺳﻌﻲ ﻣﻲ ﻛﻨﺪ ﻛﻪ اﻳﻦ ﻣﻮاﻧﻊ را ﺑﺮﻃﺮف ﻧﻤﺎﻳﺪ. ﭼﻨﺎﻧﭽﻪ اﻳﻦ ﻣﻮاﻧﻊ ﻣﻘﺎوﻣﺖ در ﻣﻘﺎﺑﻞ ﻓﺸﺎر ﺑﺮق را ﻧﺪاﺷﺘﻪ ﺑﺎﺷﻨﺪ ﺟﺮﻳﺎن ﺑﺮق ﺑﺎﻋﺚ ﺳﻮزاﻧﺪن و ﺑﻪ آﺗﺶ ﻛﺸﻴﺪن و ﺑﺮﻃﺮف ﻛﺮدن اﻳﻦ ﻣﻮاﻧﻊ ﺧﻮاﻫﻨﺪ ﺷﺪ ﻣﺎﻧﻨﺪ ﺳﻮﺧﺘﻦ ﻓﻴﻮز.
ﺳﻮزاﻧﺪن و ﺑﻪ آﺗﺶ ﻛﺸﻴﺪن ﻳﻜﻲ از ﺧﻄﺮات ﺑﺰرگ ﺑﺮق اﺳﺖ ﻛﻪ ﺟﺰو ﻛﺎراﻛﺘﺮ و ﻗﺪرت ﺑﺮق ﻣﻴﺒﺎﺷﺪ
در ﺑﺪن اﻧﺴﺎن و ﻫﺮ ﺟﺎﻧﻮر زﻧﺪه ﻫﻨﮕﺎم ﺑﺮق ﮔﺮﻓﺘﮕﻲ ﻫﻤﻴﻦ واﻗﻌﻪ رخ ﻣﻲ دﻫﺪ ﺑﺎرﻫﺎ اﺗﻔّﺎق اﻓﺘﺎده اﺳﺖ ﻛﻪ در اﺛﺮ ﻳﻚ اﺷﺘﺒﺎه و ﻳﺎ دﻗّﺖ ﻧﻨﻤﻮدن و رﻋﺎﻳﺖ ﻧﻜﺮدن دﺳﺘﻮر ﻋﻤﻞ ﻫﺎي ﻣﻮﺟﻮد ﺣﺘّﻲ ﻛﺎرﮔﺮان و ﻣﻬﻨﺪﺳﻴﻦ ﺑﺎ ﺗﺠﺮﺑﻪ ﻫﻢ دﭼﺎر ﺑﺮق ﮔﺮﻓﺘﮕﻲ ﺷﺪه اﻧﺪ ﻛﻪ ﺗﻮام ﺑﺎ ﻣﺮگ ﺑﻮده اﺳﺖ.
ﺳﺎﺧﺘﻤﺎن ﺑﺪن اﻧﺴﺎن و ﻫﺮ ﺟﺎﻧﻮر زﻧﺪه در ﻣﻘﺎﺑﻞ ﺟﺮﻳﺎن ﺑﺮق از ﻣﻘﺎوﻣﺖ ﻫﺎي زﻳﺎدي ﺗﺸﻜﻴﻞ ﺷﺪه اﺳﺖ ﻛﻪ ﺑﻄﻮر ﺳﺎده ﻣﻲ ﺗﻮان ﺑﺪﻳﻦ ﺷﻜﻞ ﻧﻤﻮدار ﻧﻤﻮد
ﻛﻞّ ﻣﻘﺎوﻣﺖ ﺑﺪن اﻧﺴﺎن ﻣﺴﺎوي اﺳﺖ ﺑﺎ ﺑﺮاﻳﻨﺪ ﻣﻘﺎوﻣﺘﻬﺎي
R1..R2..R3..R4..R5..R6..R7..R8..R9

ﻛﻤﺘﺮﻳﻦ ﻣﻘﺎوﻣﺖ ﻫﺎي ﺑﺪن اﻧﺴﺎن ﻋﻀﻼت و ﻣﺎﻫﻴﭽﻪ ﻫﺎ و آﺋﻮرت وﺣﺴﺎس ﺗﺮﻳﻦ و ﻇﺮﻳﻒ ﺗﺮﻳﻦ آﻧﻬﺎ درﻳﭽﻪ ﻫﺎي ﻗﻠﺐ رﻳﻪ- ﻏﺪه ﺗﻴﺮوﺋﻴﺪ و ﻏﻴﺮه ﻣﻴﺒﺎﺷﻨﺪ. ﺑﺰرﮔﺘﺮﻳﻦ اﻳﻦ ﻣﻘﺎوﻣﺖ ﻫﺎ از ﭘﻮﺳﺖ ﺑﺪن ﺷﺮوع و ﺳﭙﺲ ﺳﻠﺴﻠﻪ ﻣﻮﻳﺮگ ﻫﺎ ﻣﻴﺒﺎﺷﻨﺪ ﻛﻪ در ﻣﻘﺎﺑﻞ ﺟﺮﻳﺎن ﺑﺮق ﺑﺎ ﺳﻮﺧﺘﮕﻲ ﻧﺎﮔﻮاري ﻣﻮاجه ﻣﻴﺸﻮﻧﺪ.
اﻳﻦ ﺳﻮﺧﺘﮕﻲ ﻫﺎ ﻋﻤﻘﻲ ﺑﻮده و ﻣﺪاواي آن ﭼﻨﺎﻧﭽﻪ زﻳﺎد ﺑﺎﺷﻨﺪ ﺑﺴﻴﺎر ﺳﺨﺖ و در ﺑﻌﻀﻲ ﻣﻮاﻗﻊ ﻏﻴﺮﻗﺎﺑﻞ ﻋﻼج ﻣﻴﺒﺎﺷﺪ ﺑﺨﺼﻮص ﻛﻪ اﮔﺮ ﺳﻮﺧﺘﮕﻲ در ﺑﺮق ﮔﺮﻓﺘﮕﻲ ﺑﺎ وﻟﺘﺎژ زﻳﺎد اﺗّﻔﺎق اﻓﺘﺎده ﺑﺎﺷﺪ (ﺗﺨﺮﻳﺐ ﺳﻠﻮل ﻫﺎ) و زﺧﻢ ﻫﺎي اﻳﺠﺎد ﮔﺮدﻳﺪه ﻋﻤﻘﻲ ﺗﺮ ﺑﻮده ﻛﻪ ﻫﻤﻴﺸﻪ ﺑﺎ دردﻫﺎي زﻳﺎد و ﻋﻔﻮﻧﺖ ﻫﺎي ﺳﺨﺘﻲ ﻫﻤﺮاه ﺧﻮاﻫﻨﺪ ﺑﻮد. آﺷﻨﺎﺋﻲ ﺑﺎ ﺳﺎﺧﺘﻤﺎن ﺑﺪن اﻧﺴﺎن و ﻣﻘﺎوﻣﺖ ﻫﺎي داﺧﻠﻲ آن ﺑﺴﻴﺎر ﻣﻬﻢ ﻣﻲ ﺑﺎﺷﺪ زﻳﺮا در ﻫﻨﮕﺎم ﻋﺒﻮر ﺟﺮﻳﺎن ﺑﺮق از ﺑﺪن اﻧﺴﺎن اﻳﻦ ﻣﻘﺎوﻣﺖ ﻫﺎ در ﻣﻘﺎﺑﻞ وﻟﺘﺎژ ﺑﺮﻗﺮار ﺷﺪه درﻧﺴﻮج ﺑﺪن اﻣﭙﺪاﻧﺴﻲ را ﺗﺸﻜﻴﻞ ﻣﻲ دﻫﻨﺪ ﻛﻪ ﺑﻮﺳﻴﻠﻪ آن ﻣﻲ ﺗﻮان ﺟﺮﻳﺎن را ﻣﺤﺎﺳﺒﻪ ﻧﻤﻮد اﻳﻦ ﻣﻘﺎوﻣﺖ ﻫﺎ ﻧﺴﺒﺖ ﺑﻪ ﺳﺎﺧﺘﻤﺎن ﻧﺴﻮج ﺑﺪن ﻣﺨﺘﻠﻒ ﻣﻲ ﺑﺎﺷﻨﺪ و ﺟﻬﺖ و ﻃﺮﻳﻘﻪ ﻋﺒﻮر ﺟﺮﻳﺎن ﺑﺮق ﻧﻴﺰ ﻣﺘﻔﺎوت اﺳﺖ.
ﻣﻌﻤﻮﻻ ﺣﺪاﻛﺜﺮ ﺟﺮﻳﺎن ﻣﺘﻨﺎوب را ﻛﻪ ﻫﻴﭽﮕﻮﻧﻪ ﺗﺨﺮﻳﺒﻲ در ﺑﺪن اﻧﺴﺎن اﻳﺠﺎد ﻧﻜﻨﺪ
در ﻣﺪت 20 m sec. ﻧﺮم و اﺳﺘﺎﻧﺪارد ﻧﻤﻮده اﻧﺪ.
(ﺳﻲ ﻣﻴﻠﻲ آﻣﭙﺮ در ﻣﺪت ﺑﻴﺴﺖ ﻣﻴﻠﻲ ﺛﺎﻧﻴﻪ)
اﺛﺮات ﻣﻴﺪان اﻟﻜﺘﺮﻳﻜﻲ در وﻟﺘﺎژﻫﺎي زﻳﺎد (ﻓﺸﺎر ﻗﻮي) ﺑﺎﻋﺚ ﮔﺮﻣﺎ و اﺣﻴﺎﻧﺎ ﺑﻴﻤﺎري ﻫﺎﺋﻲ از ﻗﺒﻴﻞ ﻧﺎزاﺋﻲ و ﻋﻘﻴﻤﻲ و ﻏﻴﺮه و ﺗﺨﺮﻳﺐ ﺳﻠّﻮل و ﻧﺴﻮج (ﺟﺮﻳﺎن ﻛﺎﺗﻮدي) و در ﺟﺮﻳﺎن ﻫﺎي زﻳﺎد ﻣﻴﺪان ﻣﻐﻨﺎﻃﻴﺴﻲ high-current ﺑﺮروي ﺑﺪن اﻧﺴﺎن می شوند emission.
ﻃﺒﻖ اﺳﺘﺎﻧﺪاردﻫﺎي ﺑﻴﻦ اﻟﻤﻠﻠﻲ ﻛﻤﺘﺮﻳﻦ ﻓﺎﺻﻠﻪ ﺳﻜﻮﻧﺖ 5KV / m ﭘﻨﺞ ﻫﺰار وﻟﺖ در ﻫﺮ ﻳﻚ ﻣﺘﺮ وµ tesla 100ﺻﺪ ﻣﻴﻜﺮو ﺗﺴﻼ را ﻧﺮم Normو اﺳﺘﺎﻧﺪارد ﻧﻤﻮده اﻧﺪ. (emission spectrum)
ﺑﺮق ﮔﺮﻓﺘﮕﻲ در وﻟﺘﺎژﻫﺎي ﻣﺘﻮﺳﻂ و ﻗﻮي ﻏﻴﺮﻗﺎﺑﻞ ﻋﻼج ﻣﻲ ﺑﺎﺷﺪ زﻳﺮاﻛﻪ ﻗﻮس ﻫﺎي اﻟﻜﺘﺮﻳﻜﻲ درﺟﻪ ﺣﺮارﺗﻲﺑﻴﺶ از ﭼﻨﺪ ﻫﺰار درﺟﻪ ﺗﻮﻟﻴﺪ ﻣﻲ ﻛﻨﻨﺪ ﻛﻪ در اﺛﺮ آن ﺗﻤﺎم ﻋﻀﻼت و ﺳﻠّﻮل ﻫﺎ و ﻣﺎﻫﻴﭽﻪ ﻫﺎ و اﺳﺘﺨﻮان ﻫﺎ را ﺳﻮزاﻧﺪه و از ﺑﻴﻦ ﻣﻲ ﺑﺮﻧﺪ و ﺑﺨﺎﻃﺮ اﻳﻦ ﻫﺮﮔﺰ ﻧﺒﺎﻳﺪ ﺑﻪ ﺳﻴﻢ ﻫﺎي ﻫﻮاﺋﻲ ﻧﺰدﻳﻚ ﺷﺪ.
زﻳﺮا ﻛﻪ ﻓﺸﺎر و اﺧﺘﻼف ﺳﻄﺢ اﻳﻦ وﺳﺎﻳﻞ ﺑﻘﺪري زﻳﺎد اﺳﺖ ﻛﻪ ﻣﻲ ﺗﻮاﻧﻨﺪ از ﻓﺎﺻﻠﻪ دوري ﻗﻮس اﻟﻜﺘﺮﻳﻜﻲ را ﻣﺎﻧﻨﺪ ﺻﺎﻋﻘﻪ از ﻃﺮﻳﻖ ﻫﻮا اﻳﺠﺎد ﺑﻨﻤﺎﻳﻨﺪ و ﺧﻄﺮات ﻧﺎﮔﻮاري را ﺑﺮاي اﻧﺴﺎن و ﺣﻴﻮان ﻫﻤﺮاه ﺑﻴﺎورﻧﺪ
که ﺑﺎﻋﺚ ﻣﺮگ ﺣﺘﻤﻲ ﺧﻮاﻫﻨﺪ ﺷﺪ.
ﺧﻄﺮات ﺑﺮق ﮔﺮﻓﺘﮕﻲ در ﻓﺸﺎر ﺿﻌﻴﻒ و ﻣﺮگ و ﻣﻴﺮ در وﺳﺎﻳﻞ ﻧﺎﻣﺒﺮده
ﺑﻌﻠّﺖ ﻓﺮﺳﻮدﮔﻲ اﻳﺰوﻻﺳﻴﻮن و ﺗﻤﺎس ﻣﺴﺘﻘﻴﻢ ﺑﺎ ﻛﺎﺑﻞ ﺑﺮق
ﭼﻨﺎﻧﭽﻪ ﺳﻴﺴﺘﻢ ﺣﻔﺎﻇﺘﻲ زﻣﻴﻦ ﻧﺪاﺷﺘﻪ ﺑﺎﺷﻨﺪ ﺑﺴﻴﺎر زﻳﺎد و ﺣﺘﻤﻲ ﻣﻲ ﺑﺎﺷﺪ.
- ﻛﻠﻴﻪ ﻟﻮﻟﻪ ﻛﺸﻲ ﻫﺎي آب و ﻛﻠﻴﻪ ﻓﻠﺰّات در ﺳﺎﺧﺘﻤﺎن ﻛﻪ ﻏﺎﻓﻠﮕﻴﺮﺗﺮﻳﻦ و ﺑﺎﻻﺗﺮﻳﻦ ﺧﻄﺮات را دارﻧﺪ
- ﺑﺨﺼﻮص ﭘﻤﭗ ﻫﺎي آب ﺑﺮاي اﺳﺘﺨﺮﻫﺎ و ﻣﺼﺎرف ﺧﺎﻧﮕﻲ ﭘﺎرك ﻫﺎ و ﻧﻴﺰ درﻛﺸﺎورزي و ﻏﻴﺮه
- ﭼﺮاغ ﻫﺎي اﺳﺘﺨﺮ ﻛﻪ ﻧﺒﺎﻳﺪ ﺑﻴﺶ از 24 وﻟﺖ ﺑﺎﺷﻨﺪ. ﻫﻨﮕﺎم اﺳﺘﻔﺎده از ﺗﺮاﻧﺲ اﻳﺰوﻟﻪ 220V /24Vﻣﻴﺒﺎﻳﺴﺘﻲ ﻣﺎﺑﻴﻦ اﻳﺰوﻻﺳﻴﻮن ﺑﻮﺑﻴﻦ ﭘﺮﻳﻤﺮ و زﻛﺎﻧﺪر ورق ﻣﺴﻲ ﺟﻬﺖ ارت ﻧﻤﻮدن وﺟﻮد داﺷﺘﻪ و ﺗﺮاﻧﺲ اﻳﺰوﻟﻪ ﺑﺎﻳﺪ در ﻣﻘﺎﺑﻞ رﻃﻮﺑﺖ ﺣﺘﻤﺎ رزﻳﻦ ﺷﺪه ﺑﺎﺷﺪ. ( sealing compound ) اﺳﺘﻔﺎده از ﺗﺮاﻧﺲ اﻳﺰوﻟﻪ 220V / 24Vﺟﻬﺖ روﺷﻨﺎﺋﻲ ﭼﺮاغ ﻫﺎي اﺳﺘﺨﺮﻣﻤﻨﻮع ﻣﻴﺒﺎﺷﺪ. ﻣﮕﺮ ﺟﻬﺖ ﻛﻨﺘﺮل زﻛﺎﻧﺪر ﺗﺮاﻧﺲ اﻳﺰوﻟﻪ رﻟﻪ اﻟﻜﺘﺮوﻧﻴﻜﻲ Isolation Control Relay ﻧﺼﺐ ﮔﺮدﻳﺪه ﺑﺎﺷﺪ.
- ﻛﻠﻴﻪ ﭼﺮاغ و ﭘﺎﻳﻪ ﭼﺮاغ ﻫﺎي ﺣﻴﺎط و روﺷﻨﺎﺋﻲ ﭘﺎرك ﻫﺎ وﺳﺎﻳﻞ ﻓﻠﺰي از ﻗﺒﻴﻞ ﭘﻞ و ﻧﺮده و ﻏﻴﺮه در ﻣﻌﺎﺑﺮ ﻋﻤﻮﻣﻲ واداره ﻫﺎ ﺑﺨﺼﻮص در داﻧﺸﮕﺎه ﻫﺎي ﺗﺪرﻳﺲ ﻣﻬﻨﺪﺳﻲ ﺑﺮق در وﻃﻦ ﻋﺰﻳﺰﻣﺎن اﻳﺮان
- ﻛﻠﻴﻪ ﻛﻮﻟﺮﻫﺎي آﺑﻲ و ﻛﻮﻟﺮﻫﺎي ﮔﺎزي
- ﻛﻮره ﻫﺎ و ﻣﺎﺷﻴﻦ ﻫﺎي ﺑﺮﻗﻲ ﺑﺮاي ﭘﺨﺖ ﻧﺎن و ﻏﻴﺮه ﻛﻪ ﺑﺎ رﻃﻮﺑﺖ ﻫﻤﺮاه ﻣﻲ ﺑﺎﺷﻨﺪ
- ﭼﺮخ و ﻓﻠﻚ ﻫﺎ و ﻛﻠﻴﻪ وﺳﺎﻳﻞ ﺗﻔﺮﻳﺤﻲ در ﭘﺎرك ﻫﺎ
- ﺳﻤﺎور و ﭘﻠﻮﭘﺰ ﺑﺮﻗﻲ، ﺑﺨﺎري ﺑﺮﻗﻲ ﻣﺎﺷﻴﻦ رﺧﺘﺸﻮﺋﻲ و ﻇﺮﻓﺸﻮﺋﻲ و ﺳﺎﻳﺮ ﻟﻮازم ﻓﻠﺰي آﺷﭙﺰﺧﺎﻧﻪ
- وان و دوش در ﺣﻤﺎم ﺑﺨﺼﻮص ﭘﻤﭗ ﻫﺎي وان ﺟﻜﻮزي در و ﭘﻨﺠﺮه و ﺳﺎﻳﺮ وﺳﺎﻳﻞ ﻓﻠﺰي در ﺣﻤﺎم
- ﺳﻴﻢ ﻛﺸﻲ و ﻛﺎﺑﻞ ﻛﺸﻲ ﭘﺮﻳﺰﻫﺎي ﻣﻨﺎزل و ﻛﺎرﮔﺎه ﻫﺎ
- ﻛﻠﻴﻪ ﻣﺎﺷﻴﻦ آﻻت در ﺻﻨﺎﻳﻊ و وﺳﺎﻳﻞ دﻳﮕﺮ اﻟﻜﺘﺮﻳﻜﻲ
- ﻛﻠﻴﻪ دﺳﺘﮕﺎه ﻫﺎي ﺑﻴﻤﺎرﺳﺘﺎن و اﻃﺎق ﻋﻤﻞ و دﺳﺘﮕﺎه ﻫﺎي دﻧﺪان ﭘﺰﺷکی
ﺑﺪﻳﻦ ﻣﻨﻈﻮر اﺳﺘﺎﻧﺪاردﻫﺎي ﺑﻴﻦ اﻟﻤﻠﻠﻲ ارﺗﺒﺎط آﻧﻬﺎ را ﺑﺎ ارت ﻛﺎﻣﻞ
(ﺳﻴﺴﺘﻢ ﺣﻔﺎﻇﺘﻲ زﻣﻴﻦ) اﺟﺒﺎري ﻧﻤﻮده اﺳﺖ.
ﻋﺒﻮر ﺟﺮﻳﺎن ﺑﺮق از ﺑﺪن اﻧﺴﺎن و ﻫﺮ ﺟﺎﻧﻮر زﻧﺪه اﺛﺮات ﻧﺎﮔﻮاري ﺑﻪ ﻫﻤﺮاه دارد در زﻣﺎن ﻋﺒﻮر ﺟﺮﻳﺎن ﺑﺮق ﻣﺎﻫﻴﭽﻪ ﻫﺎي ﺑﺪن ﻋﻜﺲ اﻟﻌﻤﻞ ﻫﺎي ﻣﺨﺘﻠﻔﻲ را ﻧﺸﺎن ﻣﻲ دﻫﻨﺪ ﻛﻪ دﺳﺘﻮر آن از ﻣﺮﻛﺰ اﻋﺼﺎب ﻳﻌﻨﻲ ﻣﻐﺰ ﺻﺎدر ﻣﻲ ﮔﺮدد راﺑﻄﻪ اﻋﺼﺎب ﺑﺎ ﻣﺮﻛﺰ اﻋﺼﺎب و ﺿﺮﺑﺎن ﻗﻠﺐ ﺗﻮﺳﻂ اﻟﻜﺘﺮون ﻫﺎي ﻣﻮﺟﻮد در ﺑﺪن اﻧﺠﺎم ﻣﻲ ﮔﻴﺮد. ﻫﻨﮕﺎم ﻋﺒﻮر ﺟﺮﻳﺎن ﺑﺮق از ﺑﺪن اﻧﺴﺎﻧﻲ ﻛﻪ دﭼﺎر ﺑﺮق ﮔﺮﻓﺘﮕﻲ ﺷﺪه اﺳﺖ ﻣﺎﻫﻴﭽﻪ ﻫﺎي ﺑﺪن ﻋﻜﺲ اﻟﻌﻤﻞ ﻫﺎﺋﻲ ﺷﺪﻳﺪي را ﺑﻮﺟﻮد ﻣﻲ آورﻧﺪ و ﻣﻔﺼﻞ ﻫﺎ ﺣﺎﻟﺖ ﺗﻌﺎدل ﺧﻮد را از دﺳﺖ داده ﻛﻪ ﻣﻨﺠﺮ ﺑﻪ ﭘﺮت ﺷﺪن ﺷﺨﺺ از ﻣﻨﻄﻘﻪ ﺑﺮق ﮔﺮﻓﺘﮕﻲ و اﺣﻴﺎﻧﺎ ﺻﺪﻣﺎت دﻳﮕﺮي ﻣﻲ ﺷﻮد ﻛﻪ ﻧﺘﻴﺠﻪ آن ﻃﺒﻖ ﻓﺮﻣﺎن ﻣﻐﺰ ﺟﻬﺖ رﻫﺎﺋﻲ از ﻣﺪار اﻟﻜﺘﺮﻳﺴﻴﺘﻪ ﻣﻲ ﺑﺎﺷﺪ وﻟﻲ اﺛﺮات ﺑﺮق ﮔﺮﻓﺘﮕﻲ اﮔﺮ ﭼﻪ زﻣﺎن آﻧﻬﻢ ﺧﻴﻠﻲ ﻛﻮﺗﺎه ﺑﺎﺷﺪ ﺑﺴﻴﺎر زﻳﺎد و ﻧﺎﮔﻮار اﺳﺖ در ﺑﻌﻀﻲ از ﻣﻤﺎﻟﻚ ﺑﺮ اﻳﻦ ﺑﺎورﻧﺪ ﻫﻨﮕﺎﻣﻲ ﻛﻪ ﺷﺨﺼﻲ را ﺑﺮق ﮔﺮﻓﺖ و ﭘﺮت ﻛﺮد ﺷﺨﺺ ﻣﺰﺑﻮر ﻓﻮت ﻛﺮده اﺳﺖ.
در ﺻﻮرﺗﻲ ﻛﻪ اﻳﻦ اﻣﺮ ﺻﺤﻴﺢ ﻧﻴﺴﺖ زﻳﺮا ﻛﻪ ﺑﺮق ﻛﺴﻲ را ﭘﺮت ﻧﻤﻲ ﻛﻨﺪ ﺑﻠﻜﻪ ﻋﻜﺲ اﻟﻌﻤﻠﻲ اﺳﺖ ﻛﻪ ﻣﺎﻫﻴﭽﻪ ﻫﺎي ﺑﺪن در ﻣﻘﺎﺑﻞ رﻫﺎﺋﻲ از ﺟﺮﻳﺎن ﺑﺮق ﻧﺸﺎن داده و ﺷﺨﺺ ﻣﺰﺑﻮر ﻫﻨﻮز زﻧﺪه اﺳﺖ و اﺣﺘﻴﺎج ﺑﻪ ﻛﻤﻚ دﻳﮕﺮان دارد (رﺟﻮع ﺷﻮد ﺑﻪ ﻛﻤﻚ ﻫﺎي اوﻟﻴﻪ ﭘﺰﺷﻜﻲ)
ﻣﺮگ واﻗﻌﻲ ﻣﻮﻗﻌﻲ اﺳﺖ ﻛﻪ ﺳﻠّﻮل ﻫﺎي ﻣﻐﺰي از ﻛﺎر اﻓﺘﺎده ﺑﺎﺷﻨﺪ وﻟﻲ ﺗﺎ زﻣﺎﻧﻲ ﻛﻪ اﻛﺴﻴﮋن ﺑﺎﻧﺪازه ﻛﺎﻓﻲ ﺑﻪ ﻣﻐﺰ ﻣﻲ رﺳﺪ اﻧﺴﺎن زﻧﺪه اﺳﺖ. ﻗﻠﺐ ﻣﻲ ﺗﻮاﻧﺪ ﭼﻨﺪ دﻗﻴﻘﻪ اي از ﻛﺎر ﺑﺎز ﺑﻤﺎﻧﺪ.
ﺳﻴﺴﺘﻢ ﻛﺎر ﻗﻠﺐ و آﺳﻴﺐ ﺑﺎﻓﺖ ﻫﺎي ﺑﺪن را ﻣﻲ ﺗﻮان ﺑﻄﻮر ﺧﻼﺻﻪ ﺑﻪ اﻳﻦ ﻃﺮﻳﻖ ﺗﻮﺿﻴﺢ داد.
ﻛﻠﻴﻪ ﻧﺴﻮج و ﻣﺎﻳﻌﺎت ﺑﺪن ﻫﺎدي اﻟﻜﺘﺮﻳﺴﻴﺘﻪ ﻣﻲ ﺑﺎﺷﻨﺪ و ﭼﻨﺎﻧﭽﻪ ﻗﺴﻤﺘﻲ از ﺑﺪن و ﻳﺎ ﻫﻨﮕﺎم ﺷﻨﺎ در اﺳﺘﺨﺮ (ﻛﻪ ﺑﺴﻴﺎر ﺧﻄﺮﻧﺎك ﻣﻲ ﺑﺎﺷﺪ) ﻛﻞّ ﺑﺪن و ﻳﺎ در ﺟﺎﻫﺎي ﻣﺮﻃﻮب ﻣﻘﺪاري از ﺑﺪن در ﻣﺪار ﺑﺮق ﻗﺮار ﺑﮕﻴﺮد ﻣﻘﺪاري ﮔﺮﻣﺎ ﻧﺴﺒﺖ ﺑﻪ ﻧﺴﻮج در ﺑﺪن اﻳﺠﺎد ﻣﻲ ﺷﻮد و ﻃﺒﻖ ﺧﺼﻮﺻﻴﺎت ﻣﺨﺘﻠﻒ ﺷﻴﻤﻴﺎﺋﻲ ﻧﺴﻮج آﺳﻴﺐ ﻫﺎي ﮔﻮﻧﺎﮔﻮﻧﻲ را از ﻗﺒﻴﻞ ﺗﺒﺪﻳﻞ ﭘﺮوﺗﺋﻴﻦ ﺑﻪ ﺳﻤﻮم (Toxic proteine denaturation) ﺑﻮﺟﻮد ﻣﻲ آورد ﻛﻪ در ﭘﻮﺳﺖ ﻛﻤﺘﺮ وﻟﻲ در اﻧﺪام ﻫﺎي داﺧﻞ ﺑﺪن آﺳﻴﺐ ﻫﺎي ﺷﺪﻳﺪﺗﺮي را ﻫﻤﺮاه دارد.
ﻫﻨﮕﺎم ﻋﺒﻮر ﺟﺮﻳﺎن ﺑﺮق از ﺑﺪن اﻧﺴﺎن ﺑﺨﺼﻮص ﻗﻠﺐ و درﻳﭽﻪ ﻫﺎي ﻗﻠﺐ ﺧﻮن ﻟﺨﺘﻪ ﺷﺪه و ﭼﺮﺑﻲ ﻫﺎي ﺧﻮن در وﻫﻠﻪ اول ﻧﺮم و ﺑﻌﺪا ﺳﺨﺖ ﻣﻲ ﺷﻮﻧﺪ و ﻣﺎﻫﻴﭽﻪ ﻫﺎي ﺧﻮد ﻗﻠﺐ ﻧﻴﺰ ﺟﺮاﺣﺎت و ﮔﺮﻓﺘﮕﻲ ﻗﻠﺒﻲ و ﻳﺎ ﻓﻠﺠﻲ و ﻳﺎ از ﻛﺎر اﻓﺘﺎدن داﺋﻤﻲ ﻗﺴﻤﺘﻲ از ارﮔﺎن ﻫﺎي ﻗﻠﺐ را ﭘﻴﺪا ﻣﻲ ﻛﻨﻨﺪ (Nekrosis).
در اﻳﻦ ﻫﻨﮕﺎم ﻗﻠﺐ ﻧﻤﻲ ﺗﻮاﻧﺪ ﺑﺎ ﺟﺮاﺣﺎﺗﻲ ﻛﻪ دارد ﺧﻮن ﻟﺨﺘﻪ ﺷﺪه ﻣﻮﺟﻮد را در رگ ﻫﺎ ﺑﻪ ﺟﺮﻳﺎن ﺑﻴﺎﻧﺪازد و ﻣﺎﻧﻨﺪ ﭘﻤﭙﻲ ﺑﺤﺎﻟﺖ ﻗﺒﻠﻲ ﺧﻮد اداﻣﻪ ﺑﺪﻫﺪ.اﻳﻦ ﺣﺎﻟﺖ را در ﭘﺰﺷﻜﻲ ﻧﻜﺮوز و ﻳﺎ ﺳﻜﺘﻪ ﻗﻠﺒﻲ ﻣﻴﻨﺎﻣﻨﺪ.
در اﺛﺮ ﮔﺮﻣﺎ و اﺛﺮات ﺑﻴﻮ ﺷﻴﻤﻴﺎﺋﻲ در ﺑﺪن ﻛﻪ ﺑﻌﻠّﺖ ﻋﺒﻮر ﺟﺮﻳﺎن ﺑﺮق اﻳﺠﺎد ﮔﺮدﻳﺪه اﺳﺖ ﺧﻮن ﻳﻮﻧﻴﺰه ﺷﺪه و اﻛﺴﻴﮋن ﮔﻠﺒﻮل ﻫﺎي ﻗﺮﻣﺰ ﻛﻪ آﻫﻦ درﺑﺮدارﻧﺪ ﺑﻮﺳﻴﻠﻪ ﺗﻐﻴﻴﺮ ﻇﺮﻓﻴﺖ آﻫﻦ ﺗﺒﺎدل اﻛﺴﻴﮋن در ﺑﺪن را اﻧﺠﺎم ﻣﻲ دﻫﻨﺪ ﺑﻪ ﮔﺎز ﻛﺮﺑﻮﻧﻴﻚ و ﻣﻨﻮاﻛﺴﻴﺪﻛﺮﺑﻦ ﺗﺒﺪﻳﻞ ﻣﻲ ﮔﺮدﻧﺪ و در رﻳﻪ و ﺧﻮن ﺟﻤﻊ ﻣﻲ ﺷﻮﻧﺪ و اﻳﺠﺎد ﺧﻔﮕﻲ ﻣﻲ ﻛﻨﻨﺪ. ﺣﺘّﻲ ﺳﺎﻋﺖ ﻫﺎ و ﻳﺎ روزﻫﺎ ﺑﻌﺪ از ﺑﺮق ﮔﺮﻓﺘﮕﻲ ﺑﺨﺎﻃﺮ ﻛﻤﺒﻮد داﺋﻤﻲ اﻛﺴﻴﮋن در ﺑﺪن (Hypoxia) اﻳﺠﺎد ﻧﻜﺮوزﻫﺎي دﻳﮕﺮي اﻣﻜﺎن ﭘﺬﻳﺮ ﻣﻴﺒﺎﺷﺪ. ﺿﺮﺑﺎن ﻗﻠﺐ را ﻏﺪه ﺗﻴﺮوﺋﻴﺪ ﻛﻪ ﻣﻬﻢ ﺗﺮﻳﻦ ﻏﺪه ﺑﺪن و در زﻳﺮ ﮔﻠﻮ ﻗﺮار دارد ﺗﻨﻈﻴﻢ ﻣﻲ ﻧﻤﺎﻳﺪ ﻫﻨﮕﺎم ﺑﺮق ﮔﺮﻓﺘﮕﻲ ﻏﺪه ﺗﻴﺮوﺋﻴﺪ ﻛﻪ ﺗﺤﺖ ﻣﺪار ﺟﺮﻳﺎن ﺑﺮق ﻗﺮار ﮔﺮﻓﺘﻪ اﺳﺖ ﻃﺒﻖ ﻓﺮﻣﺎن ﻣﻐﺰ ﺗﻴﺮوﻛﺴﻴﻦ زﻳﺎدي را ﺑﻪ داﺧﻞ ﺧﻮن وارد ﻣﻲ ﻛﻨﺪ زﻳﺮا درﺧﻮاﺳﺖ ﻣﻐﺰ ﻛﻤﺒﻮد اﻛﺴﻴﮋن در ﺣﺎﻟﺖ ﺑﺮق ﮔﺮﻓﺘﮕﻲ ﻣﻲ ﺑﺎﺷﺪ و ﻓﺮﻣﺎن ﺻﺎدر ﺷﺪه ﺑﺮاي اﻳﻦ اﺳﺖ ﻛﻪ ﻗﻠﺐ ﺧﻮن ﺑﻴﺸﺘﺮي را در رﻳﻪ ﺑﻪ ﺟﺮﻳﺎن ﺑﻴﺎﻧﺪازد وﻟﻲ ﻗﻠﺐ ﺑﻌﻠّﺖ ﻓﻠﺞ ﺷﺪن ﻣﺎﻫﻴﭽﻪ ﻫﺎ و ﺑﺨﺼﻮص درﻳﭽﻪ ﻫﺎي ﻗﻠﺐ ﻧﻤﻲ ﺗﻮاﻧﺪ ﺑﻜﺎر ﺧﻮد اداﻣﻪ ﺑﺪﻫﺪ و ﺑﺤﺎﻟﺖ ﻟﺮزش (arrhythmic) درﻣﻲ آﻳﺪ.
ﭼﻨﺎﻧﭽﻪ ﻓﺮد دﻳﮕﺮي ﺑﺨﻮاﻫﺪ ﺿﺮﺑﺎن ﻗﻠﺐ ﻣﺠﺮوح را ﮔﻮش ﺑﻜﻨﺪ ﻫﻴﭻ ﺻﺪاﺋﻲ را ﻧﻤﻲ ﺷﻨﻮد وﻟﻲ ﺑﺎﻳﺪ ﺑﺪاﻧﺪ ﻛﻪ اﻳﻦ ﻣﺠﺮوح ﻫﻨﻮز زﻧﺪه اﺳﺖ و اﺣﺘﻴﺎج ﺑﻪ ﻛﻤﻚ دﻳﮕﺮان دارد و ﺑﺎﻳﺪ ﺑﺎ ﻛﻤﻚ ﻫﺎي اوﻟّﻴﻪ ﭘﺰﺷﻜﻲ ﻣﺠﺮوح را از ﻣﺮگ ﺣﺘﻤﻲ ﻧﺠﺎت ﺑﺪﻫﺪ. اﺻﻮل ﻛﺎر و ﺿﺮﺑﺎن ﻗﻠﺐ ﺗﻮﺳﻂ ﮔﺮه ﺳﻴﻨﻮﺳﻲ (ﭘﻴﺶ آﻫﻨﮓ) ﻛﻪ ﺑﺮﺧﻮرد دو ﻋﺼﺐ ﻣﻲ ﺑﺎﺷﺪ اﻧﺠﺎم ﻣﻲ ﮔﻴﺮد ﻛﻪ اﻳﻦ ﮔﺮه اوﻟّﻴﻦ اﻟﻜﺘﺮون را ﭘﺮﺗﺎب و ﺗﻮﺳﻂ ﮔﺮه دوم ﺑﻨﺎم AB ﻛﻨﺘﺮل و ﺗﻨﻈﻴﻢ ﻣﻲ ﺷﻮد.
اوﻟّﻴﻦ آﺛﺎر آﻏﺎز زﻧﺪﮔﻲ ﺑﻮﺟﻮد آﻣﺪن اوﻟﻴﻦ ﺳﻠﻠﻮل ﺗﻚ ﺳﻠﻮﻟﻲ ﻣﻴﺒﺎﺷﺪ ﻛﻪ ﻫﻨﮕﺎم ﺑﺮﺧﻮرد ﻗﻄﺐ ﻣﺜﺒﺖ و ﻣﻨﻔﻲ ﻛﻪ ﻫﺮ ﻛﺪام داراي 23 ﻛﺮﻣﻮزوم و ﺟﻤﻌﺎ 46 ﻛﺮوﻣﻮزوم ﻣﻴﺒﺎﺷﻨﺪ آﻏﺎز ﻣﻲ ﮔﺮدد ﻛﻪ اوﻟّﻴﻦ اﻟﻜﺘﺮون و ﻋﺼﺐ را ﺗﻮﻟﻴﺪ و ﺣﺎﻣﻞ ﻛﻠﻴﻪ ژن ﻫﺎي ﻣﺮﺑﻮﻃﻪ ﻣﻴﺒﺎﺷﻨﺪ.

ﮔﺮه ﺳﻴﻨﻮﺳﻲ اول ﻣﻤﻜﻦ اﺳﺖ ﺳﻴﺼﺪ اﻟﻜﺘﺮون در دﻗﻴﻘﻪ ارﺳﺎل ﺑﺪارد وﻟﻲ زﻣﺎﻧﻲ ﻛﻪ اﻧﺴﺎن در ﺣﺎﻟﺖ اﺳﺘﺮاﺣﺖ و ﺧﻮاب ﻣﻲ ﺑﺎﺷﺪ ﮔﺮه دوم ﺗﻌﺪاد ﺷﺼﺖ ﻋﺪد آﻧﺮا ﺟﺪا ﻧﻤﻮده و ﻓﺮﻣﺎن ﺑﻪ اﺟﺮاي ﺿﺮﺑﺎن ﻗﻠﺐ ﻣﻲ دﻫﺪ و در ﻣﻮاﻗﻊ ﻫﻴﺠﺎن و اﺿﻄﺮاب ﻣﻤﻜﻦ اﺳﺖ ﺿﺮﺑﺎن ﻗﻠﺐ ﺑﻪ ﺗﻌﺪاد ﺻﺪ و ﺑﻴﺴﺖ و ﺑﺎﻻﺗﺮ ﻫﻢ ﺑﺮﺳﺪ.ﺿﺮﺑﺎن ﻗﻠﺐ ﻫﻨﮕﺎم ﺑﺮق ﮔﺮﻓﺘﮕﻲ ﻫﻤﺎﻧﻄﻮري ﻛﻪ ﺑﻴﺎن ﮔﺮدﻳﺪ از ﻧﻈﻢ و ﺗﺮﺗﻴﺐ ﺣﺎﻟﺖ ﻃﺒﻴﻌﻲ ﺧﻮد ﺧﺎرج ﻣﻲ ﮔﺮدد و ﺑﺎ وﺟﻮد ﺗﻴﺮوﻛﺴﻴﻦ زﻳﺎد در ﺧﻮن درﻳﭽﻪ ﻫﺎي ﻗﻠﺐ ﻧﻴﺰ ﻛﻪ ﺗﺤﺖ ﻓﺸﺎر اﻟﻜﺘﺮﻳﻜﻲ ﻗﺮار ﮔﺮﻓﺘﻪ و ﻓﻠﺞ ﺷﺪه اﻧﺪ ﻧﻤﻲ ﺗﻮاﻧﻨﺪ ﺑﺎز و ﺑﺴﺘﻪ ﺑﺸﻮﻧﺪ.
بطور کلی می توان اثرات برق گرفتگی و آسیب های ناشی از آن را بر روی بافت های بدن به ولتاژ، نوع جریان (مستقیم یا متناوب) که آسیب های حاصله در برق های متناوب شایعتر و شدیدتر، مسیر جریان- مدت زمان عبور جریان از بدن مربوط دانست.

ﻃﺒﻖ آزﻣﺎﻳﺸﺎت و ﺗﺤﻘﻴﻘﺎت اﻧﺠﺎم ﮔﺮﻓﺘﻪ ﻣﻘﺪار ﺟﺮﻳﺎن ﻋﺒﻮري از ﺑﺪن اﻧﺴﺎن ﺗﺎ رﻫﺎ ﻛﺮدن ﺳﻴﻢ ﺑﺮق و ﻗﻄﻊ ﺟﺮﻳﺎن در اﻳﻦ ﺷﻜﻞ ﺑﻪ ﭼﻬﺎر ﺑﺨﺶ ﺗﻘﺴﻴﻢ ﺷﺪه اﺳﺖ.
- ﺑﺪن اﻧﺴﺎن در اﻳﻦ ﻗﺴﻤﺖ اﺣﺴﺎس ﻋﺒﻮر ﺟﺮﻳﺎن ﺑﺮق را ﻧﻤﻲ ﻛﻨﺪ
- ﺧﻄﺮات و ﺟﺮاﺣﺎت ﺑﺮق ﮔﺮﻓﺘﮕﻲ در اﻳﻦ ﻗﺴﻤﺖ وﻗﻮع ﻧﻤﻲ ﮔﻴﺮد وﻟﻲ ﺑﺎ دردﻫﺎي زﻳﺎد در ﻣﺎﻫﻴﭽﻪ ﻫﺎ و اﻧﮕﺸﺘﺎن ﭘﺎ و ﻣﻔﺼﻞ ﻫﺎ ﺗﻮام اﺳﺖ
- ﺧﻄﺮات و ﻟﺮزش ﻫﺎي ﻗﻠﺒﻲ در اﻳﻦ ﻗﺴﻤﺖ اﺗّﻔﺎق ﻧﻤﻲ اﻓﺘﺪ وﻟﻲ ﺗﺎ زﻣﺎن ﻛﻮﺗﺎﻫﻲ در ﺣﺪود ﭼﻨﺪ ﺛﺎﻧﻴﻪ ﺑﺎ دردﻫﺎي ﺷﺪﻳﺪي در روي ﺑﺎزوان و ﭘﺎﻫﺎ و ﻣﺎﻫﻴﭽﻪ ﻫﺎي ﺷﺎﻧﻪ و اﺿﺎﻓﻪ ﺷﺪن ﻓﺸﺎر ﺧﻮن و ﺗﻨﮕﻲ ﻧﻔﺲ و ﺗﻐﻴﻴﺮ ﺿﺮﺑﺎن ﻗﻠﺐ ﺗﺎ اﺣﺴﺎس ﺑﻲ ﻫﻮﺷﻲ ﺗﻮام ﺧﻮاﻫﺪ ﺑﻮددر ﻗﺴﻤﺖ A ﻟﺮزﺷﻬﺎي ﻗﻠﺒﻲ ﺷﺮوع ﻛﻪ ﺗﻮام ﺑﺎ دردﻫﺎي ﺷﺪﻳﺪ ﻣﻲ ﺑﺎﺷﺪ.در ﻗﺴﻤﺖ B ﻟﺮزﺷﻬﺎي ﻗﻠﺒﻲ ﻫﻤﺮاه ﺑﺎ ﺗﻨﮕﻲ ﻧﻔﺲ زﻳﺎد و دردﻫﺎي ﺑﺴﻴﺎر ﺷﺪﻳﺪ ﻣﻲ ﺑﺎﺷﺪ.
- ﺧﻄﺮات و ﻟﺮزش ﻫﺎي ﻗﻠﺒﻲ در اﻳﻦ ﻗﺴﻤﺖ ﻗﻄﻌﻲ اﺳﺖ ﺳﻮزش ﻫﺎي داﺧﻠﻲ ﻗﻠﺒﻲ و ﺟﺮاﺣﺎت ﻗﻠﺒﻲ ﺑﺴﻴﺎر زﻳﺎد و از ﻛﺎر اﻓﺘﺎدن ﻗﻠﺐ ﻧﻴﺰ ﻗﻄﻌﻲ ﻣﻲ ﺑﺎﺷﺪ ﻛﻪ ﮔﺮﻓﺘﮕﻲ ﻣﺎﻫﻴﭽﻪ ﻫﺎ و دردﻫﺎي ﺑﺴﻴﺎر ﺷﺪﻳﺪ ﻧﻴﺰ ﺑﻪ ﻫﻤﺮاه دارد. در اﻳﻦ ﻗﺴﻤﺖ ﻣﺮگ اﻧﺴﺎن ﺣﺘﻤﻲ ﻣﻲ ﺑﺎﺷﺪ زﻳﺮا ﻛﻪ ﺳﻮﺧﺘﮕﻲ ﻫﺎي داﺧﻠﻲ ﺑﺪن ﺑﺴﻴﺎر زﻳﺎد می باشند.
ﺳﻴﺴﺘﻢ ﺣﻔﺎﻇﺘﻲ زﻣﻴﻦ و اﺟﺒﺎري ﻧﻤﻮدن آن در ﺳﺎﺧﺘﻤﺎن ﺑﺨﺎﻃﺮ ﺟﻠﻮﮔﻴﺮي از ﺑﺮق ﮔﺮﻓﺘﮕﻲ
ﺳﻴﺴﺘﻢ ﺣﻔﺎﻇﺘﻲ زﻣﻴﻦ ﻳﻜﻲ از ﻣﻬﻤﺘﺮﻳﻦ وﺳﺎﻳﻠﻲ اﺳﺖ ﻛﻪ وﺟﻮد آن ﺑﺮاي اﻧﺘﻘﺎل اﻧﺮژي اﻟﻜﺘﺮﻳﺴﻴﺘﻪ ﺑﺨﺎﻃﺮ ﺟﻠﻮﮔﻴﺮي از ﺧﻄﺮات ﺑﺮق ﮔﺮﻓﺘﮕﻲ و ﺣﻔﻆ ﺟﺎن اﻧﺴﺎن و ﺧﻄﺮات آﺗﺶ ﺳﻮزي و ازدﻳﺎد وﻟﺘﺎژ در ﻣﺴﻴﺮ ﺷﺒﻜﻪ ﺗﻮزﻳﻊ ﻛﻨﻨﺪه و ﺑﺨﺼﻮص ﺑﺮاي ﺷﺒﻜﻪ ﻣﺼﺮف ﻛﻨﻨﺪه ﺑﺴﻴﺎر ﺿﺮوري و ﺣﺎﺋﺰ اﻫﻤﻴﺖ ﺑﻮده و ﺧﻮاﻫﺪ ﺑﻮد و ﻟﺰوم آن ﺟﺰو واﺟﺒﺎت و ﻗﻮاﻧﻴﻦ اوﻟﻴﻪ ﺗﻮزﻳﻊ اﻟﻜﺘﺮﻳﺴﻴﺘﻪ ﺑﻴﻦ اﻟﻤﻠﻠﻲ ﻣﻲ ﺑﺎﺷﺪ.
وﺟﻮد ﺟﺮﻳﺎن ﺑﺮق را ﻧﻤﻲ ﺗﻮان ﻓﻘﻂ ﺑﺎ روﺷﻦ ﻧﻤﻮدن ﭼﺮاغ و ﻳﺎ دﺳﺘﮕﺎﻫﻲ ﻣﻮرد ﻗﺒﻮل ﻗﺮار داد و ﺑﻪ وﺟﻮد آن ﻗﻨﺎﻋﺖ ﻛﺮد زﻳﺮا در ﻛﻠّﻴﻪ ﻗﻄﻌﺎت ﻓﻠﺰي ﺳﺎﺧﺘﻤﺎن ﺑﺨﺼﻮص ﺗﺎﺳﻴﺴﺎت اﻣﻜﺎن وﺟﻮد داﺷﺘن ﺠﺮﻳﺎن ﺑﺮق ﻣﻲ ﺑﺎﺷﺪ ﻛﻪ ﻫﻤﻴﺸﻪ ﺑﺎ ﺧﻄﺮات زﻳﺎد ﻫﻤﺮاه اﺳﺖ.

در ﺷﺒﻜﻪ ﻛﺎﻣﻞ ﺗﻮزﻳﻊ ﻛﻨﻨﺪه ﺑﺎﻳﺪ در ﻫﺮاﻧﺸﻌﺎب ﺑﺨﺎﻃﺮ ﺟﻠﻮﮔﻴﺮي از ﺧﺴﺎرت و ﺳﻮاﻧﺢ و ازدﻳﺎد وﻟﺘﺎژ و دو ﻓﺎز ﺷﺪن ﻣﺪار ﻣﺼﺮف ﻛﻨﻨﺪه ﻣﺠﺪدا ﻧﻮل ﺧﻮد را ﺑﻪ ﭼﺎه ارت ﻣﺘﺼﻞ ﻧﻤﺎﻳﺪ.
در ﺷﺒﻜﻪ ﻧﺎﻗﺺ ﭼﻨﺎﻧﭽﻪ اﺧﺘﻼﻓﺎﺗﻲ در ﻣﺪار ﺷﺒﻜﻪ ﺿﻌﻴﻒ ﺗﻮزﻳﻊ ﻛﻨﻨﺪه از ﻗﺒﻴﻞ اﺗﺼﺎﻟﻲ ﻣﺴﺘﻘﻴﻢ ﻓﺎز ﺑﻪ زﻣﻴﻦ و ﻳﺎ ﻗﻄﻊ ﻧﻮل ﺑﻮﺟﻮد آﻳﺪ وﻟﺘﺎژﻫﺎي ﻧﺎﻣﺘﻨﺎﺳﺐ و زﻳﺎدي در ﺷﺒﻜﻪ ﻣﺼﺮف ﻛﻨﻨﺪه اﻳﺠﺎد ﻣﻴﺸﻮد ﻛﻪ ﺑﺎﻋﺚ ﺳﻮﺧﺘﻦ ﻛﻠﻴﻪ ﻟﻮازم ﺧﺎﻧﮕﻲ و ﺻﻨﻌﺘﻲ از ﻗﺒﻴﻞ رادﻳﻮ و ﺗﻠﻮﻳﺰﻳﻮن و ﻳﺨﭽﺎل و ﻛﻮﻟﺮ وﻏﻴﺮه ﺧﻮاﻫﺪ ﺷﺪ ﻛﻪ ﺟﺒﺮان ﺧﺼﺎرات اﻗﺘﺼﺎدي در ﺷﺒﻜﻪ ﻣﺼﺮف ﻛﻨﻨﺪه ﻧﺎﺷﻲ از ﻧﻮاﻗﺼﺎت ﻓﻨّﻲ ﺷﺒﻜﻪ ﺗﻮزﻳﻊ ﻛﻨﻨﺪه ﻃﺒﻖ اﺳﺘﺎﻧﺪارد ﻫﺎي ﺑﻴﻦ اﻟﻤﻠﻠﻲ ﺑﻌﻬﺪه ﻓﺮوﺷﻨﺪه اﻧﺮژي ﻣﻴﺒﺎﺷﺪ.
ﺑﺨﺎﻃﺮ ﺟﻠﻮﮔﻴﺮي از ﻧﻮاﻗﺺ و ﺧﺼﺎرات ﻧﺎﻣﺒﺮده اﺳﺘﺎﻧﺪاردﻫﺎي ﺑﻴﻦ اﻟﻤﻠﻠﻲ ارﺗﺒﺎط ﻛﺎﺑﻞ ﻧﻮل ﺷﺒﻜﻪ را در ﻫﺮ اﻧﺸﻌﺎب و ﺑﺎ ﻫﺮ ﻗﺪرﺗﻲ ﺑﻪ ﺑﺮﻗﺮاري ﺳﻴﺴﺘﻢ ﺣﻔﺎﻇﺘﻲ زﻣﻴﻦ ﻣﻨﻮط ﮔﺮداﻧﻴﺪه اﺳﺖ.
ﻣﺰاﻳﺎي اﺳﺘﻔﺎده از ﺳﻴﺴﺘﻢ ﺣﻔﺎﻇﺘﻲ زﻣﻴﻦ در ﺷﺒﻜﻪ ﺗﻮزﻳﻊ ﻛﻨﻨﺪه
- ﺟﻠﻮﮔﻴﺮي از ﺗﻠﻔﺎت اﻧﺮژي و ﺟﻠﻮﮔﻴﺮي از اﻓﺖ و ازدﻳﺎد وﻟﺘﺎژ در ﺷﺒﻜﻪ ﺗﻮزﻳﻊ
- ﺑﻬﺒﻮد ﺗﻘﺴﻴﻢ اﻧﺮژي.و ﺗﺴﺎوي ﺑﺎر ﻓﺎزﻫﺎي ﺗﺮاﻧﺴﻔﻮرﻣﺎﺗﻮر در ﭘﺴﺖ
- ﺟﻠﻮﮔﻴﺮي از ﺑﺮﻗﺮاري ﻫﺎرﻣﻮﻧﻴﻚ ﻫﺎي ﭘﻨﺠﻢ و ﻫﻔﺘﻢ و ﻓﻠﻴﻜﺮﻫﺎ در ﺷﺒﻜﻪ ﻫﻨﮕﺎم رﻋﺪ وﺑﺮق و ﺑﺨﺼﻮص در ﻣﻮاﻗﻊ ﺟﻮﺷﻜﺎري واﺳﺘﻔﺎده از ﺗﺮاﻧﺴﻔﻮرﻣﺎﺗﻮر ﻫﺎي ﺑﺪون ﻛﻤﭙﻨﺰاﺳﻴﻮن و ﻓﻴﻠﺘﺮ. و ﻣﻮﺗﻮر ﻫﺎي ﺗﻚ ﻓﺎز ﺑﺮاي آﺳﺎﻧﺴﻮرﻫﺎي ﺳﺎﺧﺘﻤﺎن در ﺣﺎل ﺳﺎﺧﺖ و ﻏﻴﺮه.
- اﻧﺪازه ﮔﻴﺮي ﺟﺮﻳﺎن ﻧﻮل و ﺟﺮﻳﺎن اﺗﺼﺎل ﺑﻪ زﻣﻴﻦ. و ﺟﻠﻮﮔﻴﺮي از اﺿﺎﻓﻪ ﺑﺎرﻫﺎي ﻧﺎﺧﻮاﺳﺘﻪ در ﭘﺴﺖ ﻫﻨﮕﺎم اﺗﺼﺎﻟﻲ ﻫﺎي ﺷﺒﻜﻪ ﻣﺼﺮف ﻛﻨﻨﺪه.
ﻣﺰاﻳﺎي اﺳﺘﻔﺎده از ﺳﻴﺴﺘﻢ ﺣﻔﺎﻇﺘﻲ زﻣﻴﻦ در ﺷﺒﻜﻪ ﻣﺼﺮف ﻛﻨﻨﺪه
- ﺟﻠﻮ ﮔﻴﺮي از ﻣﺮگ و ﻣﻴﺮ ﻧﺎﺷﻲ از ﺑﺮق ﮔﺮﻓﺘﮕﻲ ﻫﻤﺮاه ﺑﺎ ﻧﺼﺐ رﻟﻪ ﻫﺎي ﻛﻨﺘﺮل ﺟﺮﻳﺎن ﻧﺸﺘﻲ RCD در ﻣﻨﺎﻃﻖ ﻣﺮﻃﻮب ﺳﺎﺧﺘﻤﺎن ﻣﺎﻧﻨﺪ ﺣﻤﺎم- اﺳﺘﺨﺮ-ﻛﻮﻟﺮ و ﻏﻴﺮه.
- اﺗﺼﺎل ﻧﻤﻮدن ﻛﻠّﻴﻪ ﻗﻄﻌﺎت ﻓﻠﺰّي ﺳﺎﺧﺘﻤﺎن وﻛﺎرﮔﺎه ﻫﺎ ﺑﻪ زﻣﻴﻦ.
- اﺟﺒﺎري ﻧﻤﻮدن ﭼﺎه ارت در ﺷﺒﻜﻪ ﻣﺼﺮف ﻛﻨﻨﺪه ﻛﻪ ﻓﻘﻂ در ﻳﻚ ﻧﻘﻄﻪ ﻣﺨﻔﻲ در ﭘﺸﺖ ﻛﻨﺘﻮر ﺗﻮﺳﻂ ﻣﺘﺨﺼﺼﻴﻦ ﺗﻮزﻳﻊ ﻛﻨﻨﺪه ﺑﻪ ﻧﻮل ﺷﺒﻜﻪ ﺗﻮزﻳﻊ ﻛﻨﻨﺪه ﻣﺘﺼﻞ ﻣﻴﺸﻮد.
ﺑﺮ ﺧﻼف آﺋﻴﻦ ﻧﺎﻣﻪ ﻫﺎي ﻣﺪﻳﺮ ﻋﺎﻣﻞ ﻗﺒﻠﻲ ﻳﻜﻲ از ﺷﺮﻛﺖ ﻫﺎي اﻳﺮاﻧﻲ و اﻇﻬﺎرات اﺳﺘﺎدان داﻧﺸﮕﺎه ﻫﺎي اﻳﺮان ﺳﻴﺴﺘﻢ ﺣﻔﺎﻇﺘﻲ زﻣﻴﻦ و اﻳﺠﺎد ﭼﺎه ارت ﻫﻴﭽﮕﻮﻧﻪ راﺑﻄﻪ اي ﺑﻪ ﻣﻘﺪار (ﻳﻜﺼﺪﻛﻴﻠﻮوات) و ﺗﻌﺪاد ﻃﺒﻘﺎت (ﭼﻬﺎر ﻃﺒﻘﻪ) و ﻣﺴﺎﺣﺖ زﻳﺮ ﺑﻨﺎ ﺑﻴﺶ از (2000 ﻣﺘﺮ ﻣﺮﺑﻊ) راﻫﺮﮔﺰ ﻧﺪاﺷﺘﻪ و ﻧﺨﻮاﻫﺪ داﺷﺖ.
- ﺑﺎ ﻗﻄﻊ ﺷﺪن ﻛﺎﺑﻞ ﻧﻮل ﻫﻨﮕﺎم ﻃﻮﻓﺎن و ﻳﺎ ﺳﻬﻮا و ﻳﺎ ﻋﻤﺪا در ﺷﺒﻜﻪ ﺗﻮزﻳﻊ ﻛﻨﻨﺪه اﺧﺘﻼف وﻟﺘﺎژﻫﺎي ﺧﻄﺮﻧﺎك و ﺧﺼﺎرات اﻗﺘﺼﺎدي زﻳﺎد و آﺗﺶ ﺳﻮزي ﻫﺎي ﻧﺎﮔﻮاري را ﺑﺮاي ﺷﺒﻜﻪ ﻣﺼﺮف ﻛﻨﻨﺪه ﺑﻮﺟﻮد ﻧﺨﻮاﻫﺪ آورد زﻳﺮا ﻛﻪ ﺳﻴﺴﺘﻢ ﺣﻔﺎﻇﺘﻲ زﻣﻴﻦ از اﻳﻦ ﺳﻮاﻧﺢ ﺟﻠﻮﮔﻴﺮي ﻣﻴﻨﻤﺎﻳﺪ.
- ﺟﻠﻮﮔﻴﺮي از آﺗﺶ ﺳﻮزي ﺗﻮﺳﻂ ﺳﻨﺠﺶ ﺟﺮﻳﺎن اﺗﺼﺎﻟﻲ و ﻧﺸﺘﻲ ﻓﺎز ﻫﺎ ﺑﻪ زﻣﻴﻦ در ﻗﻄﻌﺎت ﻓﻠﺰي ﺳﺎﺧﺘﻤﺎن.
ﻫﻨﮕﺎم ﺷﺮوع ﺳﺎﺧﺘﻤﺎن ﻣﻲ ﺑﺎﻳﺴﺘﻲ ﻣﺸﺘﺮﻛﻴﻦ ﺑﺎ آﻣﺎده ﻧﻤﻮدن ﺳﻴﺴﺘﻢ ﺣﻔﺎﻇﺘﻲ زﻣﻴﻦ PE ﺗﻮﺳﻂ ﻛﻨﺪن ﭼﺎﻫﻲ ﺳﻴﺴﺘﻢ اﻧﺸﻌﺎﺑﺎت ﺳﺎﺧﺘﻤﺎن را آﻣﺎده و ﻛﻠﻴﻪ ﻗﻄﻌﺎت اﺳﻜﻠﺖ ﻓﻠﺰي، ﻟﻮﻟﻪ ﻫﺎي آب و ﮔﺎز و ﺷﻮﻓﺎژ- وان ﺣﻤﺎم – دوش – ﻧﺮده و درب ﻫﺎ و ﭘﻞ ﻫﺎي ﻓﻠﺰي و ﭘﺎﻳﻪ ﭼﺮاغ ﻫﺎي ﻣﻌﺎﺑﺮ ﻋﻤﻮﻣﻲ و ﻏﻴﺮه را ﺑﺎ اﻳﺠﺎد ﺷﻴﻨﻪ ﻫﺎي ﺗﺴﺎوي وﻟﺘﺎژ ﻣﺘﺼﻞ ﺑﻨﻤﺎﻳﺪ.
ﻧﺼﺐ اﻟﻜﺘﺮود ﻓﻘﻂ ﺑﺨﺎﻃﺮ ﺟﻠﻮﮔﻴﺮي از ﺻﺎﻋﻘﻪ ﻛﻪ زﻣﺎن آن ﺑﺴﻴﺎر ﻛﻮﺗﺎه و ﺟﺮﻳﺎن آن ﻣﺴﺘﻘﻴﻢ ﻣﻴﺒﺎﺷﺪ ﻣﻮرد اﺳﺘﻔﺎده ﻗﺮار ﻣﻴﮕﻴﺮد در ﺻﻮرﺗﻴﻜﻪ ﺳﻴﺴﺘﻢ ﺣﻔﺎﻇﺘﻲ زﻣﻴﻦ ﺑﺎ ﻛﻨﺪن ﭼﺎه ﺑﺨﺎﻃﺮ ﻋﺒﻮرﺟﺮﻳﺎن ﻫﺎي ﻣﺘﻨﺎوب و داﺋﻢ ﻣﻴﺒﺎﺷﺪ.
ﻫﺮﮔﺰ ﻧﺒﺎﻳﺪ ﺗﻨﻬﺎ از اﻟﻜﺘﺮود ﺑﺮاي ﺳﻴﺴﺘﻢ ﺣﻔﺎﻇﺘﻲ ﺷﺒﻜﻪ ﺷﻬﺮي زﻣﻴﻦ در ﺳﺎﺧﺘﻤﺎن اﺳﺘﻔﺎده ﻧﻤﻮد.
ﭘﺲ از ﺑﺮﻗﺮاري ﺳﻴﺴﺘﻢ ﺣﻔﺎﻇﺘﻲ زﻣﻴﻦ ﺗﻮزﻳﻊ ﻛﻨﻨﺪه ﻣﻲ ﺑﺎﻳﺴﺘﻲ ﻗﺒﻞ از ﺑﺮﻗﺮارﻧﻤﻮدن ﺟﺮﻳﺎن ﺑﻪ ﺷﺒﻜﻪ ﻣﺸﺘﺮﻛﻴﻦ اﺧﺘﻼف ﭘﺘﺎﻧﺴﻴﻞ ﻛﺎﺑﻞ N ﻧﻮل ﺧﻮد و ﺳﻴﺴﺘﻢ ارت ﻣﺸﺘﺮﻛﻴﻦ PE را ﺑﺴﻨﺠﺪ و ﭼﻨﺎﻧﭽﻪ ﺗﻔﺎوت ﻣﻘﺎوﻣﺖ اﻫﻤﻲ ﻧﻮل ﺷﺒﻜﻪ و ارت ﻣﺸﺘﺮﻛﻴﻦ ﺑﻴﺶ از Ohm 2 و اﺧﺘﻼف ﭘﺘﺎﻧﺴﻴﻞ ﺑﻴﺶ از Volt 3 ﻧﺒﻮد ﻣﻲ ﺗﻮاﻧﺪ ﻛﺎﺑﻞ ﻧﻮل ﺧﻮد را ﻓﻘﻂ در ﻳﻚ ﻧﻘﻄﻪ ﻛﻪ ﻗﺒﻼ ﺗﻮﺳﻂ ﺷﻴﻨﻪ ﻫﺎي ﺗﺴﺎوي وﻟﺘﺎژ آﻣﺎده ﺷﺪه اﺳﺖ در ﻣﺮﻛﺰ اﻧﺸﻌﺎﺑﺎت ﻛﻨﺘﻮر ﻛﻪ ﭘﻠﻤﺐ و ﻏﻴﺮه ﻗﺎﺑﻞ دﺳترس ﻣﻲ ﺑﺎﺷﺪ ﺑﻪ ارت PE ﻣﺸﺘﺮﻛﻴﻦ ﻣﺘﺼﻞ و ﺟﺮﻳﺎن را ﺑﺮﻗﺮار ﻧﻤﺎﻳﺪ. (PE + N = PEN)
ﺑﺎ اﻳﻦ ﻃﺮﻳﻖ ﻣﻮﻧﺘﺎژﻛﺎران ﺗﺎﺳﻴﺴﺎت اﻟﻜﺘﺮﻳﻜﻲ ﺳﺎﺧﺘﻤﺎن ﺳﻴﺴﺘﻢ اﻳﺠﺎد ﺷﺪه ﺑﺎ PEN را ﺟﻬﺖ ﻛﻠّﻴﻪ اﻧﺸﻌﺎﺑﺎت در اﺧﺘﻴﺎر ﺳﺎﻛﻨﻴﻦ ﻗﺮار ﻣﻲ دﻫﻨﺪ ﻛﻪ ﺑﺘﻮاﻧﻨﺪ ﺑﺎ اﺳﺘﻔﺎده ازﻛﺎﺑﻞ و ﭘﺮﻳﺰﻫﺎي ﺳﻪ ﺳﻴﻤﻪ ﻣﺎﺷﻴﻦ رﺧﺖ ﺷﻮﺋﻲ – سماور برقی – ﭘﻠﻮﭘﺰ ﺑﺮﻗﻲ – کولر – پمپ آخر استخر – و غیره خود را متصل نمایند و از وجود سیستم انشعاب کامل بوسیله PEN بهره مند و از خطرات برق گرفتگی مصون بمانند.
ﺑﺮاي ﻫﺮ ﺳﺎﺧﺘﻤﺎن و ﻫﺮ ﻣﺠﺘﻤﻊ ﻣﺴﻜﻮﻧﻲ ﺳﻴﺴﺘﻢ ﺣﻔﺎﻇﺘﻲ زﻣﻴﻦ ﻣﻴﺒﺎﻳﺴﺘﻲ ﺟﺪاﮔﺎﻧﻪ و ﻫﺮ ﮔﺰ ﻧﺒﺎﻳﺪ ﻣﺸﺘﺮك اﺟﺮا ﮔﺮدد و ﻛﺎﺑﻞ ﻧﻮل ﺑﺮق ﺷﻬﺮ ﻓﻘﻂ ﻳﻚ ﻣﺮﺗﺒﻪ در ﻣﺮﻛﺰ اﻧﺸﻌﺎﺑﺎت ﻛﻨﺘﻮر ﻛﻪ ﭘﻠﻤﺐ و ﻏﻴﺮه ﻗﺎﺑﻞ دﺳﺖ رﺳﻲ ﻣﻲ ﺑﺎﺷﺪ ﺑﺎ ﺳﻴﺴﺘﻢ ﺣﻔﺎﻇﺘﻲ زﻣﻴﻦ ﻣﺘﺼﻞ ﺷﻮد.
ﻣﺘﺎﺳﻔﺎﻧﻪ در ﺑﻌﻀﻲ از ﻛﺸﻮرﻫﺎ ﻣﺸﺎﻫﺪه ﻣﻴﮕﺮدد ﻛﻪ ﺗﺎﺳﻴﺴﺎت ﻓﻨﻲ ﺳﺎﺧﺘﻤﺎن ﺑﺨﺼﻮص ﻗﺴﻤﺖ ﺑﺮق ﺳﺎﺧﺘﻤﺎن ﺑﺼﻮرت اﺳﺘﺎﻛﺎري و ﺗﻘﻠﻴﺪ از ﻳﮕﺪﻳﮕﺮ و ﺑﺨﺎﻃﺮ ﻣﻨﺎﻓﻊ اﻗﺘﺼﺎري و ﺻﺮﻓﻪ ﺟﻮﺋﻲ در ﻫﻢ و ﺑﺮﻫﻢ اﺟﺮا ﻛﻪ ﺧﻄﺮات زﻳﺎد و آﺗﺶ ﺳﻮزي ﻫﺎي ﻧﺎﮔﻮاري را ﺑﺒﺎر آورده و ﺑﺎﻋﺚ از دﺳﺖ دادن ﺟﺎن اﻓﺮاد ﺑﻴﮕﻨﺎﻫﻲ را ﻣﻴﺸﻮﻧﺪ.
ﻣﻄﺎﻟﻌﻪ اﺳﺘﺎﻧﺪاردﻫﺎي ﺻﻨﻌﺖ ﺑﺮق اﻳﺮان- ﺳﻴﺴﺘﻢ زﻣﻴﻦ ﺑﺮاي ﺳﺎﺧﺘﻤﺎﻧﻬﺎي ﻣﺴﻜﻮﻧﻲ و ﺗﺠﺎري ﻗﺴﻤﺖ ﻫﺎي اول و دوم و ﺳﻮم و اﻟﺤﺎﻗﻴﻪ آن و ﻧﺸﺮﻳﻪ ﺷﻨﺎﺧﺖ و اﺳﺘﺎﻧﺪارد و آﺋﻴﻦ ﻧﺎﻣﻪ ﺳﻴﻢ ﻛﺸﻲ ﺳﺎﺧﺘﻤﺎﻧﻬﺎي ﻣﺴﻜﻮﻧﻲ- ﺗﺠﺎري- ﺻﻨﻌﺘﻲ و ﺳﺎﻳﺮ اﺳﺘﺎﻧﺪارد ﻫﺎي ﺑﺮق اﻳﺮان ﻛﻪ ﺗﻮﺳﻂ ﺷﺮﻛﺖ ﺗﻮاﻧﻴﺮ از اﺳﺘﺎﻧﺪارد ﻫﺎي ﺑﻴﻦ اﻟﻤﻠﻠﻲ ﺗﺮﺟﻤﻪ و ﻣﻨﺘﺸﺮ ﺷﺪه اﺳﺖ ﺛﺎﺑﺖ ﻣﻴﻨﻤﺎﻳﺪ ﻛﻪ اﻳﻦ اﺳﺘﺎﻧﺪارد ﻫﺎ داراي ﻣﺸﻜﻼﺗﻲ ﻣﻴﺒﺎﺷﻨﺪ ﻛﻪ ﺑﺎﻳﺪ ﺗﻜﻤﻴﻞ و اﺻﻼح ﺷﻮﻧﺪ زﻳﺮا ﺳﻴﺴﺘﻢ ﺳﺒﻚ ﺳﺎﺧﺘﻤﺎﻧﻬﺎي اﻳﺮان و زﻣﻴﻦ و ﻣﻨﺎﻃﻖ ﻣﺨﺘﻠﻒ و ﻓﺮﻫﻨﮓ اﻳﺮان ﺑﺎ ﻛﺸﻮر ﻫﺎي دﻳﮕﺮ ﺗﻔﺎوت ﺑﺴﻴﺎر دارد و ﻫﺮﮔﺰ ﻧﻤﻴﺘﻮان ﻛﻠّﻴﻪ اﻳﻦ اﺳﺘﺎﻧﺪارد ﻫﺎ را در اﻳﺮان اﺟﺮا و ﻣﻮرد اﺳﺘﻔﺎده ﻗﺮار داد.
اﺻﻮﻻ ﻫﺮ ﻛﺸﻮري ﻧﺴﺒﺖ ﺑﻪ ﻣﻨﺎﻃﻖ و ﺿﻮاﺑﻂ و ﺷﺮاﻳﻂ ﺟﻮي و ﺻﻼﺣﺪﻳﺪ و ﻓﺮﻫﻨﮓ ﻛﺸﻮر ﺧﻮد دﺳﺘﻮر ﻋﻤﻞ ﻫﺎﺋﻲ را در ﻣﻮرد ﺗﺎﺳﻴﺴﺎت ﺑﺮق ﺑﻌﻨﻮان اﺳﺘﺎﻧﺪارد ﺑﺮاي ﻛﺸﻮر ﺧﻮد ﺗﻬﻴﻪ و اﺟﺮا ﻣﻴﻨﻤﺎﻳﺪ و ﭘﺲ از ﻣﻘﺎﻳﺴﻪ ﺑﺎ اﺳﺘﺎﻧﺪارد ﻛﺸﻮرﻫﺎي دﻳﮕﺮ ﻣﻘﺪاري از آن را ﺑﻌﻨﻮان اﺳﺘﺎﻧﺪارد ﺑﻴﻦ اﻟﻤﻠﻠﻲ ﻣﻮرد ﻗﺒﻮل ﻗﺮار ﻣﻴﺪﻫﺪ ﻛﻪ ﺑﺼﻮرت ﻣﺜﺎل ﻣﻴﺘﻮان ﺗﻔﺎوت ﻫﺎي زﻳﺎدي را در ﻣﻮرد اﺳﺘﺎﻧﺪارد اروﭘﺎ ﺑﺮﻳﺘﺎﻧﻴﺎ و ﻏﻴﺮه ﻣﺸﺎﻫﺪه ﻧﻤﻮد.
ﺑﺮﺧﻼف اﻇﻬﺎرات ﺗﺤﻘﻴﻘﺎت ﻣﻠّﻲ ﺳﺎﺧﺘﻤﺎﻧﻬﺎي اﻳﺮان و ﺑﺮق ﻫﺎي ﻣﻨﻄﻘﻪ اي ﻛﻪ ﻛﺎﺑﻞ ﺳﻴﺴﺘﻢ ﺣﻔﺎﻃﺘﻲ زﻣﻴﻦ ﺧﻨﺜﻲ ﺑﻮده و آﻧﺮا آﺷﻜﺎر ﻫﻢ ﻣﻴﺘﻮان ﭘﻴﺎده و اﺟﺮا ﻧﻤﻮد اﺷﺘﺒﺎه ﺑﺰرﮔﻲ ﻣﻴﺒﺎﺷﺪ زﻳﺮا ﭼﻨﺎﻧﭽﻪ ﺳﻴﺴﺘﻢ ﺣﻔﺎﻇﻴﻲ زﻣﻴﻦ آﺷﻜﺎر ﺑﺎﺷﺪ ﺧﻄﺮات ﻧﺎﮔﻮاري را ﺑﺒﺎر ﻣﻲ آورد.
از ﺳﻴﺴﺘﻢ ﺣﻔﺎﻇﺘﻲ زﻣﻴﻦ ﻓﻘﻂ در زﻣﺎن ﺧﻄﺮ ﻣﻴﺒﺎﻳﺴﺘﻲ ﺟﺮﻳﺎﻧﻲ ﺑﺨﺎﻃﺮ ﺟﻠﻮﮔﻴﺮي از ﺳﻮاﻧﺢ ﻋﺒﻮر ﺑﻜﻨﺪ و ﻫﺮﮔﺰ ﻧﻤﻴﺘﻮان آﻧﺮا ﺑﻌﻨﻮان ﻛﺎﺑﻞ ﺧﻨﺜﻲ ﺗﻠﻘّﻲ ﻧﻤﻮد و در ﺣﺎﻟﺖ ﻣﻌﻤﻮﻟﻲ ﻫﻴﭽﮕﻮﻧﻪ ﺟﺮﻳﺎﻧﻲ ﻧﺒﺎﻳﺪ ار آن ﻋﺒﻮر ﺑﻜﻨﺪ ﻣﮕﺮ در ﻣﻮاﻗﻊ ﺧﻄﺮ.
ﻗﻄﺮ ﻛﺎﺑﻞ ﺳﻴﺴﺘﻢ ﺣﻔﺎﻇﺘﻲ زﻣﻴﻦ ﻫﻤﻴﺸﻪ ﺑﺴﺘﻜﻲ ﺑﻪ ﻣﻴﺰان اﻧﺮژي ﻣﺼﺮﻓﻲ ﻣﺪار ﻣﺮﺑﻮﻃﻪ را دارد.
ﺑﺨﺎﻃﺮ اﺟﺮاي ﺻﺤﻴﺢ ﺗﺎﺳﻴﺴﺎت ﻓﻨّﻲ ﺳﺎﺧﺘﻤﺎن از ﻗﺒﻴﻞ آب و ﺑﺮق ﺗﻠﻔﻦ آﻧﺘﻦ ﺷﻮﻓﺎژ ﮔﺎز آﺳﺎﻧﺴﻮر ﻛﻮﻟﺮ و ﺟﻠﻮﮔﻴﺮي از ﺻﺪﻣﺎن ﺻﺎﻋﻘﻪ و آﺗﺶ ﺳﻮزي و ﻧﺼﺐ ﺑﺮق ﮔﻴﺮﻫﺎ ﻣﻮﻧﺘﺎژﻛﺎران ﻣﻴﺒﺎﻳﺴﺘﻲ ﺑﺎ دﻳﺪن ﻣﺪارس ﻓﻨّﻲ و ﮔﺬراﻧﺪن اﻣﺘﺤﺎﻧﺎت ﻣﺮﺑﻮﻃﻪ ﻧﺰد اﺳﺘﺎدﻛﺎر دوره دﻳﺪه ﺑﺎ ﺳﺎﺑﻘﻪ و ﺗﺠﺮﺑﻪ دار اﻗﺪام ﺑﻪ ﻧﺼﺐ ﺗﺎﺳﻴﺴﺎت ﻧﻤﻮده و ﻛﻠّﻴﻪ ﻛﺎرﻫﺎي آﻧﻬﺎ ﻃﺒﻖ ﻧﻘﺸﻪ و ﻣﺤﺎﺳﺒﻪ ﻣﻬﻨﺪﺳﻴﻦ ﺗﺎﺳﻴﺴﺎت ﺑﺮق اﺟﺮا و ﻧﻈﺎرت و ﺗﺎﺋﻴﺪ و ﻣﺪارك ﻣﺮﺑﻮﻃﻪ ﺟﺰو اﺳﻨﺎد ﺳﺎﺧﺘﻤﺎن ﺑﻪ ﺛﺒﺖ ﺑﺮﺳﺪ و ﺳﭙﺲ ﺷﻬﺮداري ﻣﻴﺘﻮاﻧﺪ ﺑﺎ ﺑﺎزدﻳﺪ و ﻛﻨﺘﺮل اﺳﻨﺎد ﻣﻮﺟﻮد ﭘﺎﻳﺎن ﻛﺎر ﺳﺎﺧﺘﻤﺎن را ﺻﺎدر ﻧﻤﺎﻳﺪ.
ﻧﺼﺐ رﻟﻪ ﻫﺎي ﺣﻔﺎﻇﺘﻲ
در سال1928 میلادی در کشور آلمان توسط کارخانه Reinisch Westfälische Elektrizitätswerke (REW) رﻟﻪ ﻛﻨﺘﺮل ﺟﺮﻳﺎن ﻧﺸﺘﻲ Residual Current Protective Device (RCD) ﺑﺮاي اوﻟّﻴﻦ ﺑﺎر ﺑﻌﻨﻮان ﻳﻚ اﺧﺘﺮاع ﺑﻪ ﺛﺒﺖ رﺳﻴﺪ ﻛﻪ ﺟﻬﺖ ﻛﻨﺘﺮل ﻧﻮاﻗﺺ اﻳﺰوﻻﺳﻴﻮن در وﻟﺘﺎژ ﻫﺎي V AC 50و ﻳﺎ V DC 120 و ﺑﺮاي ﺣﻔﺎﻇﺖ ﺟﺎن اﻧﺴﺎنV AC 25و ﻳﺎ V DC 60ﺑﺎ ﺣﺪ اﻛﺜﺮ ﺳﻲ ﻣﻴﻠﻲ آﻣﭙﺮ در ﻣﺪت ﺑﻴﺴﺖ ﻣﻴﻠﻲ ﺛﺎﻧﻴﻪ ﻣﻮرد اﺳﺘﻔﺎده ﻗﺮار ﺑﮕﻴﺮد. ﺑﻬﺮه ﺑﺮداري از اﻳﻦ اﺧﺘﺮاع ﺗﺎ ﺳﺎل 1951 ﺑﻄﻮل اﻧﺠﺎﻣﻴﺪ ﺗﺎ اﻳﻨﻜﻪ ﺑالاﺧﺮه ﺑﺼﻮرت ﺗﻮﻟﻴﺪات اﻣﺮوزي ﺑﻪ ﺑﺎزار اراﺋﻪ و ﻧﺼﺐ آن در ﻣﻨﺎﻃﻖ ﻣﺮﻃﻮب ﻣﺎﻧﻨﺪ ﺣﻤﺎم وﻋﻠﻲ اﻟﺨﺼﻮص اﺳﺘﺨﺮﻫﺎ اﺟﺒﺎري و ﻣﺘﺬﻛّﺮ ﮔﺮدﻳﺪ ﺷﺪ ﻛﻪ ﭼﻨﺎﻧﭽﻪ اﻧﺴﺎن ﺑﺪون ﺳﻴﺴﺘﻢ ﺣﻔﺎﻇﺘﻲ زﻣﻴﻦ ﻣﺎﺑﻴﻦ ﻓﺎز و ﻧﻮل ﻗﺮار ﺑﮕﻴﺮد اﻳﻦ رﻟﻪ ﻫﺎ ﺣﻔﺎﻇﺘﻲ را در ﺑﺮﻧﺨﻮاﻫﻨﺪ داﺷﺖ.
در ﺳﺎل 1957 آﻗﺎي Prof.Dr.Gottfried Biegelmeier رﻟﻪ ﻫﺎي ﺣﻔﺎﻇﺘﻲ را ﺗﻜﻤﻴﻞ ﺗﺮو ﺑﺮاي وﻟﺘﺎژﻫﺎي 220 V آﻣﺎده ﻧﻤﻮده و ﺑﺎ ﻛﺎرﺧﺎﻧﻪ ﻫﺎي F&G ﻗﺮارداد ﺗﻮﻟﻴﺪ آﻧﺮا اﻣﻀﺎ ﻧﻤﻮد ﻛﻪ ﺑﻌﺪا ﻛﺎرﺧﺎﻧﻪ ﻫﺎي دﻳﮕﺮي ﻧﺴﺒﺖ ﺑﻪ ﺳﺎﺧﺖ آن اﻗﺪام و ﺑﺨﺎﻃﺮ ﺟﻠﻮﮔﻴﺮي از ﺳﻮﺧﺘﻦ و ﭼﺴﺒﻴﺪن ﻛﻨﺘﺎﻛﺖ ﻫﺎي آن در ﻣﻮاﻗﻊ ﺑﺮوز اﺗﺼﺎل ﻛﻮﺗﺎه آﻧﺮا ﺑﺎ ﻛﻠﻴﺪ اﺿﺎﻓﻪ ﺟﺮﻳﺎن ﻣﻴﻨﻴﺎﺗﻮري ﻣﺠﻬﺰ و ﺑﻪ ﺑﺎزار اراﺋﻪ ﻧﻤﻮدﻧﺪ.
ﺑﺎ ﻧﺼﺐ رﻟﻪ ﻫﺎي ﻣﻜﺎﻧﻴﻜﻲ و ﻳﺎ اﻟﻜﺘﺮوﻧﻴﻜﻲ ﺣﻔﺎﻇﺘﻲ ﻛﻪ ﺑﻨﺎم Residual Current Circuit Breake (RCCB) رﻟﻪ ﻛﻨﺘﺮل ﺟﺮﻳﺎن ﻧﺸﺘﻲ ﻧﺎﻣﻴﺪه ﻣﻲ ﺷﻮﻧﺪ ﻣﻲ ﺗﻮان ﻣﻘﺪاري از ﺧﻄﺮات ﺑﺮق ﮔﺮﻓﺘﮕﻲ را ﺟﻠﻮﮔﻴﺮي ﻧﻤﻮد در ﺻﻮرﺗﻴﻜﻪ ﺳﻴﺴﺘﻢ ﺣﻔﺎﻇﺘﻲ زﻣﻴﻦ در ﺳﺎﺧﺘﻤﺎن وﺟﻮد داﺷﺘﻪ ﺑﺎﺷﺪ.
در ﻏﻴﺮ اﻳﻨﺼﻮرت ﺑﺎ وﺟﻮد رﻟﻪ ﻛﻨﺘﺮل ﻧﺸﺘﻲ اﻣﻜﺎن ﺑﺮق ﮔﺮﻓﺘﮕﻲ و ﻣﺮگ و ﻣﻴﺮ در ﺳﺎﺧﺘﻤﺎن ﺑﺎز ﻫﻢ وﺟﻮد دارد
اﻳﻦ ﻧﻮع رﻟﻪ ﻫﺎ داراي ﻳﻚ ﺗﺮاﻧﺴﻔﻮرﻣﺎﺗﻮر ﺟﺮﻳﺎن ﺑﺴﻴﺎرﺣﺴﺎس ﻫﺴﺘﻨﺪ و ﻗﺎدرﻧﺪ اﺧﺘﻼف ﺟﺮﻳﺎن ﻧﺸﺘﻲ ﺑﺴﻴﺎر ﻛﻤﻲ را ﺳﻨﺠﻴﺪه و ﺑﻪ ﻓﻨﺮي ﻛﻪ ﻫﻨﮕﺎم وﺻﻞ ﺷﺎرژ ﺷﺪه اﺳﺖ ﻓﺮﻣﺎن ﻗﻄﻊ را ﺻﺎدر ﻧﻤﺎﻳﻨﺪ. ﺑﻌﻠّﺖ ﺣﺴﺎﺳﻴﺖ زﻳﺎد و ﻧﻮاﻗﺺ آن ﻧﻤﻲ ﺗﻮان ﺑﺪون ﺗﻐﻴﻴﺮاﺗﻲ در ﺳﻴﻢ ﻛﺸﻲ ﺳﺎﺧﺘﻤﺎن و ﻣﺠﺘﻤﻊ ﻫﺎي ﻣﺴﻜﻮﻧﻲ ﻣﻮرد اﺳﺘﻔﺎده ﻗﺮارداد ﺑﻠﻜﻪ اﻳﻦ ﻧﻮع رﻟﻪ ﻫﺎ ﻓﻘﻂ ﺑﺮاي ﻣﺪارﻫﺎﺋﻲ ﺑﺎﻳﺪ ﻣﻮرد اﺳﺘﻔﺎده ﻗﺮار ﺑﮕﻴﺮد ﻛﻪ در آن ﻣﺪارﻫﺎ اﺣﺘﻤﺎل ﺑﺮق ﮔﺮﻓﺘﮕﻲ و ﺧﻄﺮ ﻣﺎﻧﻨﺪ:
اﺳﺘﺨﺮ و ﺣﻤﺎم و آﺷﭙﺰﺧﺎﻧﻪ و ﻛﻮﻟﺮﻫﺎي آﺑﻲ و ﺣﻴﺎط و ﻏﻴﺮه زﻳﺎد اﺳﺖ
ﻛﺎرﺑﺮد اﺻﻠﻲ رﻟﻪ ﻫﺎي ﻛﻨﺘﺮل ﺟﺮﻳﺎن ﻧﺸﺘﻲ
ﻛﺎرﺑﺮد اﺻﻠﻲ اﻳﻦ ﻧﻮع رﻟﻪ ﻫﺎ ﺑﺮاﻳﻦ اﺳﺖ ﻛﻪ ﻫﺮﮔﻮﻧﻪ ﺟﺮﻳﺎن ﻧﺸﺘﻲ راﻫﻨﮕﺎم ﺑﺮ ﻗﺮاري وﻟﺘﺎژﻫﺎي ﺧﻄﺮﻧﺎﻛﻲ ﺑﺮاي اﻧﺴﺎن و ﺣﻴﻮان در اﺛﺮ ﻣﻌﻴﻮب ﺑﻮدن اﻳﺰوﻻﺳﻴﻮن وﺳﺎﺋﻞ ﺻﻨﻌﺘﻲ و ﻳﺎ ﺧﺎﻧﮕﻲ ﺑﺨﺼﻮص ﭘﻤﭗ ﻫﺎي اﺳﺘﺨﺮ و ﻳﺎ وان ﻫﺎي ﺣﻤﺎم و ﻏﻴﺮه را. ﺷﻨﺎﺳﺎﺋﻲ و ﻣﺪار ﺑﺮق را ﻗﻄﻊ و ﺗﻠﻔﺎت اﻧﺮژي اﻟﻜﺘﺮﻳﻜﻲ اﻋﻼم ﺑﺪارد. ﺑﺎ.اﺳﺘﻔﺎده از ﺳﻴﺴﺘﻢ زﻣﻴﻦ ﻛﺎرﺑﺮد اﺻﻠﻲ اﻳﻦ ﻧﻮع رﻟﻪ ﻫﺎ ﺗﻜﻤﻴﻞ ﺗﺮ ﺧﻮاﻫﺪ ﻧﻤﻮد ﻛﻪ ﻫﻴﭽﮕﻮﻧﻪ ﺟﺮﻳﺎن ﺧﻄﺮﻧﺎﻛﻲ از ﺑﺪن اﻧﺴﺎن ﻋﺒﻮر ﻧﻤﺎﻳﺪ.
ﻛﺎرﺑﺮد ﻓﺮﻋﻲ رﻟﻪ ﻫﺎي ﻛﻨﺘﺮل ﺟﺮﻳﺎن ﻧﺸﺘﻲ
ﭼﻨﺎﻧﭽﻪ ﻧﻮاﻗﺼﺎﺗﻲ در اﻳﺰوﻻﺳﻴﻮن وﺳﺎﺋﻞ ﺻﻨﻌﺘﻲ و ﻳﺎ ﺧﺎﻧﮕﻲ ﺑﺨﺼﻮص اﺳﺘﺨﺮﻫﺎ و ﻳﺎ وان ﻫﺎي ﺣﻤﺎم ﺑﻮﺟﻮد آﻳﺪ و ﺟﺮﻳﺎﻧﻲ از ﺑﺪن اﻧﺴﺎن ﻧﺴﺒﺖ ﺑﻪ ﺳﻴﺴﺘﻢ ﺣﻔﺎﻇﺘﻲ زﻣﻴﻦ ﺑﺮﻗﺮار ﺑﮕﺮدد اﻳﻦ ﻧﻮع رﻟﻪ ﻫﺎ ﺟﺮﻳﺎن ﻧﺸﺘﻲ را ﺑﺨﺎﻃﺮ ﺟﻠﻮﮔﻴﺮی ﺎز ﻣﺮگ و ﻣﻴﺮ اﻧﺴﺎن ﺳﻨﺠﻴﺪه و ﻓﺮﻣﺎن ﺑﻪ ﻗﻄﻊ ﺟﺮﻳﺎن ﺑﺮق را ﻣﻴﺪﻫﻨﺪ.
ﻧﺼﺐ ﺻﺤﻴﺢ رﻟﻪ ﻫﺎي ﻛﻨﺘﺮل ﺟﺮﻳﺎن ﻧﺸﺘﻲ
ﻫﺮﮔﺰ ﻧﺒﺎﻳﺪ ﻗﺒﻞ از ﻣﺪار رﻟﻪ ﻫﺎي ﻛﻨﺘﺮل ﺟﺮﻳﺎن ﻧﺸﺘﻲ از ﻓﻴﻮز و ﭘﺎﻳﻪ ﻓﻴﻮز ﻫﺎي ﻓﺸﻨﮕﻲ اﺳﺘﻔﺎده ﺑﻠﻜﻪ از ﻛﻠﻴﺪ ﻫﺎي ﻣﻴﻨﻴﺎﺗﻮري اﺗﻮﻣﺎﺗﻴﻚ اﺳﺘﻔﺎده ﻧﻤﻮد.زﻳﺮا ﭘﺲ از ﺳﻮﺧﺘﻦ ﻓﻴﻮز در ﻣﺪار ﻣﺮﺑﻮﻃﻪ و وﺟﻮد اﺗﺼﺎﻟﻲ ﭼﻨﺎﻧﭽﻪ ﻓﻴﻮز دﻳﮕﺮي را ﺑﺎﻻﺗﺮ از ﻗﺪرت رﻟﻪ ﻛﻨﺘﺮل ﻧﺸﺘﻲ ﻗﺮار ﺑﺪﻫﻨﺪ و ﻛﻠﻴﺪ رﻟﻪ را وﺻﻞ ﻧﻤﺎﻳﻨﺪ اﻣﻜﺎن ﭼﺴﺒﻴﺪن ﻛﻨﺘﺎﻛﺖ ﻫﺎي رﻟﻪ زﻳﺎد ﺑﻮده و ﻣﺪار ﺑﺮق ﺑﺮ ﻗﺮار ﻣﻴﮕﺮدد وﻟﻲ در ﻣﻮاﻗﻊ ﺑﺮوز ﺧﻄﺮ رﻟﻪ ﻛﻨﺘﺮل ﺟﺮﻳﺎن ﻧﺸﺘﻲ ﻧﻤﻴﺘﻮاﻧﺪ ﺣﻔﺎﻇﺖ ﺧﻮد را اﻧﺠﺎم و ﻣﺪار ﺑﺮق را ﻗﻄﻊ ﺑﻨﻤﺎﻳﺪ و ﺧﻄﺮات ﺑﺮق ﮔﺮﻓﺘﮕﻲ و ﻣﺮگ و ﻣﻴﺮ را ﺑﺒﺎر ﻣﻲ آورد.

ﻫﺮﮔﺰ ﻧﺒﺎﻳﺪ ﻓﺮاﻣﻮش ﻛﺮد ﻛﻪ اﮔﺮ ﺑﺪن اﻧﺴﺎن ﻣﺎﺑﻴﻦ ﻓﺎز و ﻧﻮل ﻛﻪ اﺣﺘﻤﺎل اﺗّﻔﺎق اﻓﺘﺎدن آن ﻧﻴﺰ ﻣﻲ ﺑﺎﺷﺪ ﻗﺮار ﺑﮕﻴﺮد اﻳﻦ ﻧﻮع رﻟﻪ ﻫﺎ ﺟﺮﻳﺎن ﺑﺮق را ﻗﻄﻊ ﻧﻤﻲ ﻛﻨﻨﺪ و ﺧﻄﺮات ﻣﺮگ ﺣﺘﻤﻲ اﺳﺖ ﻣﮕﺮ در ﻣﻮاﻗﻌﻲ ﻛﻪ ﺟﺮﻳﺎﻧﻲ ﻫﻢ از ﺑﺪن اﻧﺴﺎن ﺑﻪ زﻣﻴﻦ ﺑﺮﻗﺮار ﮔﺮدﻳﺪه ﺑﺎﺷﺪ و ﺑﺨﺎﻃﺮ ﻫﻤﻴﻦ ﻣﻮﺿﻮع ﺑﻪ آﻧﻬﺎ Earth Leakage – protective Relay و ﻳﺎ RCD ﻫﻢ ﻣﻲ ﮔﻮﻳﻨﺪ.
ﭼﻨﺎﻧﭽﻪ اﻳﻦ ﻧﻮع رﻟﻪ ﻫﺎ ﺑﺮاي ﻛﻞّ ﻣﺪار ﺳﺎﺧﺘﻤﺎن ﻧﺼﺐ ﺷﺪه ﺑﺎﺷﻨﺪ اﺣﺘﻤﺎل ﻗﻄﻊ ﺑﻲ ﻣﻮرد ﻣﺪار ﺑﺮق ﺑﻌﻠّﺖ اﻣﭙﺪاﻧﺲ و اﻳﺰوﻟﻪ ﻧﺒﻮدن ﺳﻴﻢ ﻛﺸﻲ ﻫﺎي ﻧﺎﻗﺺ و اﺳﺘﻔﺎده از ﻟﻮﻟﻪ ﻫﺎي ﻓﻠﺰّي و ﺳﻴﻢ اﻓﺸﺎن و ﻧﻮار ﭼﺴﺐ و ﺻﺮﻓﻪ ﺟﻮﺋﻲ در ﻧﺼﺐ ﺗﻘﺴﻴﻢ و اﻧﺸﻌﺎﺑﺎت زﻳﺎد ﻣﻴﺒﺎﺷﺪ و ﭘﻴﺪاﻛﺮدن ﻣﺪارﻫﺎي ﻣﻌﻴﻮب و ﺑﺮﻃﺮف ﻧﻤﻮدن آﻧﻬﺎ ﺑﺴﻴﺎر دﺷﻮار ﺧﻮاﻫﺪ ﺑﻮد.
اﺳﺘﻔﺎده و ﻧﺼﺐ ﺗﻨﻬﺎي رﻟﻪ ﻫﺎي RCD اﺿﻄﺮاري ﺑﻮده و ﻫﺮﮔﺰ ﻧﺒﺎﻳﺪ ﺧﺎﻃﺮ ﺟﻤﻊ ﺑﻮد اﻧﺴﺎن دﭼﺎر ﺑﺮق ﮔﺮﻓﺘﮕﻲ ﻧﻤﻴﺸﻮد زﻳﺮا ﺗﺠﺮﺑﻪ و ﺑﺎزدﻳﺪ از ﺳﻮاﻧﺢ و آزﻣﺎﻳﺶ ﻫﺎي اﻧﺠﺎم ﮔﺮﻓﺘﻪ ﻣﻌﺎﻳﺐ آﻧﺮا ﺛﺎﺑﺖ ﻣﻲ ﻛﻨﺪ اﻳﻦ ﻣﻌﺎﻳﺐ ﺑﻪ ﻧﻮع ﺳﺎﺧﺖ و آزﻣﺎﻳﺸﺎت و ﺗﻨﻈﻴﻢ ﻧﻬﺎﺋﻲ و اﺳﺘﺎﻧﺪارد ﻧﺒﻮدن و ﺳﻮﺧﺘﮕﻲ ﻛﻨﺘﺎﻛﺖ ﻫﺎي آن ﻣﻲ ﺑﺎﺷﺪ و ﺑﺎﻳﺪ در ﺳﺎل دو و ﻳﺎ ﺳﻪ ﺑﺎر ﺑﺎ ﻓﺸﺎر دادن دﻛﻤﻪ ﺗﺴﺖ آﻧﺮا آزﻣﺎﻳﺶ و از ﺻﺤﺖ و ﻛﺎرﺑﺮد آن اﻃﻤﻴﻨﺎن ﺣﺎﺻﻞ ﻧﻤﻮد.
ﺑﻪ ﻫﻤﻴﻦ دﻟﻴﻞ ﻓﻘﻂ وﺟﻮد ﺳﻴﺴﺘﻢ ﺣﻔﺎﻇﺘﻲ زﻣﻴﻦ ﻫﻤﺮاه ﺑﺎ ﻧﺼﺐ رﻟﻪ ﻫﺎي ﻛﻨﺘﺮل ﺟﺮﻳﺎن ﻧﺸﺘﻲ ﻣﺠﻬﺰ ﺑﺎ ﻛﻠﻴﺪ ﻫﺎي ﻣﻴﻨﻴﺎﺗﻮري ﻣﻲ ﺗﻮاﻧﺪ ﻛﻤﻚ ﻣﺆﺛﺮي ﺑﺮاي ﺟﻠﻮﮔﻴﺮي از ﺑﺮق ﮔﺮﻓﺘﮕﻲ ﺑﺎﺷﺪ.
| در ﻧﻘﺸﻪ ﺷﻤﺎره 1 ﻣﺎﺷﻴﻦ رﺧﺘﺸﻮﺋﻲ ﻓﻘﻂ ﺑﺎ ﺳﻴﻢ ﻓﺎز و ﻧﻮل ﺑﻪ ﺑﺮق ﺷﻬﺮ وﺻﻞ ﺷﺪه اﺳﺖ.
ﭼﻨﺎﻧﭽﻪ در اﺛﺮ ﻓﺮﺳﻮدﮔﻲ اﻳﺰوﻻﺳﻴﻮن اﻟﻜﺘـــﺮوﻣﻮﺗﻮر ﻣﺎﺷﻴﻦ رﺧﺖ ﺷﻮﺋﻲ و ﻳﺎ ﻗﺴﻤﺖ ﻫﺎي دﻳﮕﺮ ﻧﻮاﻗﺼـــﻲ رخ ﺑﺪﻫﺪ و اﻧﺴﺎﻧﻲ ﺑﺎ آن ﺑﺮﺧﻮرد ﺑﻜﻨﺪ اﻣﻜﺎن ﺑﺮق ﮔﺮﻓﺘﮕﻲ وﺟﻮد ﺧﻮاﻫﺪ داﺷﺖ زﻳﺮا در اﻳﻦ ﻧﻘﺸﻪ از ﻛﺎرﺑﺮد ﻓﺮﻋﻲ رﻟﻪ ﻫﺎي ﻛﻨﺘﺮل ﺟﺮﻳﺎن ﻧﺸﺘﻲ اﺳﺘﻔﺎده ﮔﺮدﻳﺪه اﺳﺖ ﻛﻪ ﻧﺎﻗﺺ ﻣﻴﺒﺎﺷﺪ. ﺑﻌﻠّﺖ اﺗﺼﺎﻟﻲ ﻫﺎﺋﻲ ﻛﻪ در ﻣﺪار ﻣﺼﺮف ﻛﻨﻨﺪه اﺗﻔّﺎق ﺧﻮاﻫﺪ اﻓﺘﺎد اﻣﻜﺎن از ﻣﺪار ﺧﺎرج ﺷﺪن رﻟﻪ ﻛﻨﺘﺮل ﺟﺮﻳﺎن ﻧﺸﺘﻲ ﻧﻴﺰ وﺟﻮد دارد. ﭼﻨﺎﻧﭽﻪ ﻗﺒﻞ از ﺑﺮ ﻃﺮف ﻧﻤﻮدن اﺗﺼﺎﻟﻲ ﻓﻴﻮز را ﻗﺒﻼ و رﻟﻪ ﻛﻨﺘﺮل ﺟﺮﻳﺎن ﻧﺸﺘﻲ را ﺑﻌﺪا وﺻﻞ ﺑﻨﻤﺎﻳﻨﺪ اﻣﻜﺎن ﭼﺴﺒﻴﺪن ﻛﻨﺘﺎﻛﺖ ﻫﺎي آن وﺟﻮد دارد و در ﻫﻨﮕﺎم ﺧﻄﺮ ﻫﻴﭽﮕﻮﻧﻪ ﺣﻔﺎﻇﺘﻲ را اﻧﺠﺎم ﻧﺨﻮاﻫﺪ داد. ﺑﺪﻳﻦ ﻣﻨﻈﻮر ﺑﺎﻳﺪ اول ﻛﻠﻴﺪ ﺣﻔﺎﻇﺘﻲ و ﺑﻌﺪا ﻓﻴﻮز را وﺻﻞ ﻧﻤﻮد. ﻣﻘﺪار ﺟﺮﻳﺎن ﺑﺮﻗﻲ ﻛﻪ از ﺑﺪن اﻧﺴﺎن در در اﻳﻦ ﺳﺎﻧﺤﻪ ﻋﺒﻮر ﻣﻲ ﻛﻨﺪ ﻋﺒﺎرت اﺳﺖ از وﻟﺘﺎژ ﺷﻬﺮ ﺗﻘﺴﻴﻢ ﺑﺮ ﺑﺮآﻳﻨﺪ ﻣﻘﺎوﻣﺖ ﻫﺎي ﺑﺪن اﻧﺴﺎن RM و ﻣﻘﺎوﻣﺖ زﻣﻴﻦRST ﻛﻪ ﺑﺴﻴﺎر ﺧﻄﺮﻧﺎك ﻣﻴﺒﺎﺷﺪ. |
![]() |
| در ﻧﻘﺸﻪ ﺷﻤﺎره 2 ﭼﻨﺎﻧﭽﻪ ﻣﻘﺎوﻣﺖ زﻣﻴﻦ ﻛﻢ ﺑﺎﺷﺪ ﺟﺮﻳﺎﻧﻲ از ﺑﺪن اﻧﺴﺎن ﻋﺒﻮر ﻧﻤﻲ ﻛﻨﺪ و ﺧﻄـــﺮاﺗﻲ را ﺑﺎ ﺧﻮد ﺑﻪ ﻫﻤﺮاه ﻧﻤﻲ آورد زﻳﺮاﻛــﻪ وﺳﻴﻠـــﻪ ﻣﺰﺑـــﻮر ﺗﻮﺳﻂ اﻟﻜﺘﺮود ﺑﺎ ﻣﻘﺎوﻣﺖ زﻣﻴــــﻦ Ra ارت ﺷﺪه ﻛﻪ ﻧﺎﻗﺺ ﻣﻲ ﺑﺎﺷﺪ.
وﻟﻲ در ﻣﻮاﻗﻌﻲ ﻛﻪ ﻣﻘﺎوﻣﺖ زﻣﻴﻦ زﻳﺎد ﺑﺎﺷﺪ ﺣﺘﻤﺎ ﺟﺮﻳﺎﻧﻲ ﻫﻢ از ﺑﺪن اﻧﺴﺎن ﻧﺴﺒﺖ ﺑﻪ زﻣﻴﻦ ﻋﺒﻮر ﺧﻮاﻫﺪ ﻧﻤﻮد. در اﻳﻦ ﺷﻜﻞ ﻧﻮاﻗﺺ اﺳﺘﻔﺎده از اﻟﻜﺘﺮو.د و ﻣﻘﺎوﻣﺖ اﻫﻤﻲ آن ﺑﺨﻮﺑﻲ ﻧﺸﺎن داده ﺷﺪه اﺳﺖ اﺳﺘﻔﺎده از اﻟﻜﺘﺮود ﺑﻌﻨﻮان ﺳﻴﺴﺘﻢ ﺣﻔﺎﻇتی ﺰﻣﻴﻦ ﻫﺮ ﮔﺰ ﺟﻮاﺑﮕﻮي آﻣﭙﺮاژﻫﺎي زﻳﺎد را ﻧﺨﻮاﻫﺪ داﺷﺖ و ﺧﻄﺮات ﭘﻴﺶ ﺑﻴﻨﻲ ﻧﺸﺪه و وﻟﺘﺎژﻫﺎي ﻧﺎﮔﻮاري را ﺑﻮﺟﻮد ﺧﻮاﻫﺪ آورد. ﻣﻘﺎوﻣﺖ اﻳﺰوﻻﺳﻴﻮن ﻣﺴﺎوﻳﺴﺖ ﺑﺎ Rf و ﻣﻘﺎوﻣﺖ اﻟﻜﺘﺮود زﻣﻴﻦ ﻣﺴﺎوﻳﺴﺖ ﺑﺎ Ra. |
![]() |
| در ﻧﻘﺸﻪ ﺷﻤﺎر 3 دﺳﺘﮕﺎه ﻣﺰﺑﻮر ارت و ﺷﻴﻨﻪ PE ﻫﻢ وﺟﻮد دارد و رﻟﻪ ﺣﻔﺎﻇﺘﻲ ﻧﻴﺰ ﻛﺎﻣﻼ ﺻﺤﻴﺢ ﻧﺼﺐ ﮔﺮدﻳﺪه اﺳﺖ
وﻟﻲ ﺑﻌﻠّﺖ ﻧﻘﺼﻲ ﻛﻪ در ﻣﺪار ارت وﺟﻮد دارد ﺑﺮاي اﻧﺴﺎن ﺧﻄﺮﻧﺎك ﺑﻮده و اﻧﺴﺎن دﭼـــﺎر ﺑﺮق ﮔﺮﻓﺘﮕﻲ ﻣﻲ ﺷﻮد زﻳﺮا در ﻧﻘﻄﻪ ﻫﺎي A و B ﻗﻄﻊ ﺳﻴﺴﺘﻢ ارت ﺑﻮﺟﻮد آﻣﺪه اﺳﺖ. ﺑﺮاي رﻓﻊ اﻳﻨﮕﻮﻧﻪ ﺧﻄﺮ ﺑﺎﻳﺪ ﻧﻘﻄﻪ A و B ﺗﻮﺳﻂ ﻛﺎﺑﻠﻲ ﺑﻬﻢ ﻣﺘّﺼﻞ ﺑﺸﻮﻧﺪ. |
![]() |
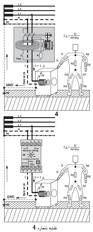
| در ﻧﻘﺸﻪ ﺷﻤﺎره 4 ارت ﻛﺎﻣﻞ در اﻳﻦ ﻧﻘﺸﻪ ﻛﺎﻣﻼ ﺑﺮﻗﺮار و ﺷﻴﻨﻪ ﺗﺴﺎوي ﻧﻤﻮدن وﻟﺘﺎژﻫﺎي ارت ﻣﺎﺑﻴﻦ N و PE وﺟﻮد دارد و اﺗّﻔﺎﻗﺎﺗﻲ ﺑﺮاي اﻧﺴﺎن در اﺛﺮ ﻧﻮاﻗﺼﻲ در اﻳﺰوﻻﺳﻴﻮن دﺳﺘﮕﺎه ﻣﺮﺑﻮﻃﻪ اﺗّﻔﺎق ﻧﺨﻮاﻫﺪ اﻓﺘﺎد.
در اﻳﻦ ﺳﻴﺴﺘﻢ ﺑﺨﺎﻃﺮ وﺟﻮد ارت ﻫﻴﭽﮕﻮﻧﻪ ﺟﺮﻳﺎﻧﻲ از ﺑﺪن اﻧﺴﺎن ﻋﺒﻮر ﻧﺨﻮاﻫﺪ ﻛﺮد و ﻫﺮﮔﻮﻧﻪ ﺟﺮﻳﺎن ﻧﺸﺘﻲ ﺑﻪ زﻣﻴﻦ ﺗﻮﺳﻂ رﻟﻪ ﻣﺰﺑﻮر ﺷﻨﺎﺧﺘﻪ ﺷﺪه و ﺟﺮﻳﺎن ﺑﺮق ﻗﻄﻊ ﺧﻮاﻫﺪ ﺷﺪ. |
![]() |
ﺑﺮق در ﻣﺠﺘﻤﻊ ﻫﺎي ﻣﺴﻜﻮﻧﻲ و آﭘﺎرﺗﻤﺎن
ﺑﺎ وﺟﻮد ﻧﺼﺐ رﻟﻪ ﻫﺎي ﺣﻔﺎﻇﺘﻲ ﺣﺘّﻲ ﺑﺮاي ﻫﺮ آﭘﺎرﺗﻤﺎن ﺧﻄﺮات ﺑﺮق ﮔﺮﻓﺘﮕﻲ در آﭘﺎرﺗﻤﺎن ﺑﺎز ﻫﻢ اﻣﻜﺎن ﭘﺬﻳﺮ اﺳﺖ ﻛﻪ ﺗﺼﻮر آن ﺑﺮاي ﻫﺮ ﻓﺮد و ﺣﺘّﻲ ﻣﻬﻨﺪﺳﻴﻦ ﺗﺎﺳﻴﺴﺎت ﻧﻴﺰ ﻏﻴﺮﻣﻤﻜﻦ ﻣﻲ ﺑﺎﺷﺪ. ﺗﺠﺮﺑﻴﺎت و ﺗﺤﻘﻴﻘﺎت و ﺑﺎزدﻳﺪﻫﺎ در اﻳﻦ زﻣﻴﻨﻪ ﻧﺸﺎن داده اﺳﺖ ﻛﻪ اﻳﻦ ﺣﻮادث در ﺑﻌﻀﻲ ﻛﺸﻮرﻫﺎ ﺑﻪ وﻗﻮع ﭘﻴﻮﺳﺘﻪ ﻛﻪ ﻧﺘﺎﻳﺞ و اﺛﺮات آن ﺑﺎ ﻣﺮگ روﺑﺮو ﺑﻮده اﺳﺖ. زﻳﺮا ﻧﺼﺐ رﻟﻪ ﻫﺎي ﺣﻔﺎﻇﺘﻲ ﻳﻚ ﻓﺎز و ﻳﺎ ﺳﻪ ﻓﺎز ﻫﻴﭽﮕﻮﻧﻪ راﺑﻄﻪ اي ﺑﺎ ﻣﺪارﻫﺎي اﻟﻜﺘﺮﻳﻜﻲ دﻳﮕﺮ ﻣﺠﺘﻤﻊ ﻣﺴﻜﻮﻧﻲ ﻧﺪارﻧﺪ ﺑﺎ ﻧﺼﺐ رﻟﻪ ﻫﺎي ﺣﻔﺎﻇﺘﻲ در آﭘﺎرﺗﻤﺎن ﻓﻘﻂ ﻣﺪارﻫﺎي ﭘﺸﺖ رﻟﻪ در داﺧﻞ آﭘﺎرﺗﻤﺎن ﺣﻔﺎﻇﺖ ﺷﺪه اﻧﺪ و ﭼﻨﺎﻧﭽﻪ وﻟﺘﺎژ دﻳﮕﺮي ﺧﺎرج از اﻳﻦ ﻣﺪار وارد آﭘﺎرﺗﻤﺎن ﺑﺸﻮد ﺧﻄﺮات ﺑﺮق ﮔﺮﻓﺘﮕﻲ در ﺣﻤﺎم و آﺷﭙﺰﺧﺎﻧﻪ وﺟﻮد دارد.

ﻫﻤﺎﻧﻄﻮرﻳﻜﻪ در اﻳﻦ ﺷﻜﻞ ﻧﻤﺎﻳﺎن اﺳﺖ ﭼﻨﺎﻧﭽﻪ ﻳﻜﻲ از ﻓﺎز ﻫﺎي ﺑﺮق ﺷﻬﺮ ﺑﻪ ﻟﻮﻟﻪ ﻛﺸﻲ آب و ﻳﺎ دﻳﮕﺮ ﻓﻠﺰات ﺳﺎﺧﺘﻤﺎن ﺑﺮﺧﻮرد ﺑﻜﻨﺪ ﻛﻠﻴﻪ ﻓﻠﺰات و ﻟﻮﻟﻪ ﻛﺸﻲ ﻫﺎي ﻛﻞ ﺳﺎﺧﺘﻤﺎن داراي وﻟﺘﺎژ ﺧﻄﺮﻧﺎﻛﻲ ﺑﺮاي اﻧﺴﺎن ﻣﻲ ﺷﻮﻧﺪ.
ﭼﻨﺎﻧﭽﻪ در اﻳﻦ ﻣﻮاﻗﻊ از ﺣﻤﺎم و دوش و آﺷﭙﺰﺧﺎﻧﻪ اﺳﺘﻔﺎده ﺑﺸﻮد
اﻧﺴﺎن ﺑﺎ ﻣﺮگ ﺣﺘﻤﻲ روﺑﺮو ﺧﻮاﻫﺪ ﺷﺪ.
ﺑﺨﺎﻃﺮ ﺟﻠﻮﮔﻴﺮي از ﺳﻮاﻧﺢ ﺑﺮق ﮔﺮﻓﺘﮕﻲ و ﺣﻔﻆ ﺟﺎن اﻧﺴﺎن ﻓﻘﻂ ﻳﻚ راه وﺟﻮد دارد.
ﻣﺘﺼﻞ ﻧﻤﻮدن ﻛﻠّﻴﻪ ﻓﻠﺰات در ﺳﺎﺧﺘﻤﺎن و اﻣﺎﻛﻦ ﻋﻤﻮﻣﻲ ﺑﻪ ﺳﻴﺴﺘﻢ ﺣﻔﺎﻇﺘﻲ زﻣﻴﻦ
ﭘﻴﺎده و اﺟﺮاي ﺳﻴﺴﺘﻢ ﺣﻔﺎﻇﺘﻲ زﻣﻴﻦ در ﺑﺮق اﻳﺮان اﺣﺘﻴﺎج ﺑﻪ ﻫﻴﭽﮕﻮﻧﻪ ﻫﺰﻳﻨﻪ اي ﻧﺪارد
و ﺑﺎ ﻣﺨﺎرج ﺑﺴﻴﺎرﻛﻢ ﻗﺎﺑﻞ اﺟﺮاﺳﺖ.
اﺟﺮاي آن ﻓﻘﻂ ﺑﺎ ﺧﻮاﺳﺘﻦ و داﻧﺴﺘﻦ و ﺗﻮاﻧﺴﺘﻦ ﺑﺴﺘﮕﻲ دارد.
اﻣﻴﺪ اﺳﺖ اﻳﻦ ﭘﻴﺸﻨﻬﺎد ﺑﺨﺎﻃﺮ ﭘﻴﺸﺮﻓﺖ ﺻﻨﻌﺖ ﺑﺮق اﻳﺮان ﻣﻮرد ﺗﻮﺟﻪ ﻫﻤﻮﻃﻨﺎن ﻣﺤﺘﺮم
ﻗﺮار ﮔﺮﻓﺘﻪ ﻛﻪ ﻧﻪ در ﻣﻘﺎﺑﻞ ﻛﺸﻮرﻫﺎي ﻫﻤﺴﺎﻳﻪ ﺑﻠﻜﻪ در ﺳﻄﺢ ﺟﻬﺎﻧﻲ ﻣﺎﻳﻪ اﻓﺘﺨﺎر ﺧﻮاﻫﺪ ﺑﻮد.



























